
- 索 引 号: PT01101-1303-2022-00022
- 发文机关: 仙游县人民政府办公室
- 成文日期: 2022-12-26
- 发文字号: 仙政办〔2022〕42号
- 标 题: 仙游县人民政府办公室关于印发仙游县“十四五”生态文明建设专项规划的通知
- 发布日期: 2023-01-06
- 有 效 性: 有效
仙政办〔2022〕42号
仙游县人民政府关于印发仙游县
“十四五”生态文明建设专项规划的通知
各乡镇人民政府、管委会,鲤城街道办事处,县直各有关单位:
经县政府研究同意,现将《仙游县“十四五”生态文明建设专项规划》印发给你们,请认真贯彻执行。
仙游县人民政府办公室
2022年12月26日
(此件主动公开)
仙游县“十四五”生态文明建设
专 项 规 划
仙游县人民政府
二○二二年十二月
目 录
前 言.................................................9
第一章 生态文明建设的成就与新要求....................11
第一节 “十三五”生态文明建设成效..................11
第二节 “十四五”生态文明建设新要求................14
第二章 生态文明建设的总体思路........................17
第一节 指导思想...................................17
第二节 基本原则...................................17
第三节 建设目标...................................19
第三章 构建生态安全格局..............................23
第一节 优化国土空间开发保护格局...................
一、科学优化生态保护红线.........................23
二、优化调整永久基本农田保护红线................23
三、科学划定城镇开发边界........................24
第二节 构建生态空间保护格局.......................24
一、一心........................................25
二、三线........................................25
三、七核........................................27
第四章 推进经济绿色发展..............................28
第一节 培育绿色农业发展新优势.....................28
一、优化农业产业结构和布局......................28
二、推广现代绿色农业生产方式....................29
三、实施先进绿色农业经营方式....................
第二节 大力推进制造业绿色升级.....................33
一、优化升级产业结构.............................33
二、推进绿色工厂建设.............................34
三、推进绿色园区建设.............................35
四、推进绿色产品建设.............................36
五、推进绿色供应链建设...........................36
第三节 提高服务业绿色发展水平.....................37
一、发展特色优势服务业..........................37
二、推动重点服务行业节能减排和清洁生产..........37
三、培育龙头企业和知名品牌.......................38
第四节 建设八大绿色产业...........................39
一、生态农业....................................39
二、现代林业....................................42
三、新能源及装备产业.............................43
四、数字产业....................................45
五、节能环保产业.................................49
六、文化创意产业................................50
七、休闲旅游产业................................52
八、健康产业....................................54
第五章 推进社会绿色发展..............................55
第一节 建立资源回收利用体系.......................55
一、建立再生资源回收利用网络.....................55
二、建立健全生活垃圾分类回收体系................55
第二节 推进基础设施绿色升级.......................56
一、强化生态环保基础设施建设.....................56
二、推进交通基础设施绿色发展.....................57
第三节 推广绿色建筑...............................58
一、大力发展绿色建筑............................58
二、积极发展绿色建材............................58
三、推进建筑废物资源化利用......................59
第四节 推行绿色生活方式...........................59
一、培育绿色生活理念...........................59
二、引导绿色消费...............................59
三、倡导绿色出行...............................60
第五节 创新低碳服务管理...........................60
一、推进政府机关节能减排........................60
二、加快推进电子政务服务........................61
三、制定政府绿色采购制度........................61
第六节 培育绿色文化...............................62
一、开展生态文明宣传教育........................62
二、打造绿色文化新体系..........................62
第六章 提升生态环境质量..............................63
第一节 持续推进木兰溪全流域综合治理...............63
一、打造“节水木兰”............................63
二、打造“安全木兰”............................63
三、打造“生态木兰”..............................64
四、打造“洁净木兰”...............................65
五、打造“文化木兰”...........................66
六、打造“智慧木兰”...........................66
第二节 深化大气污染综合治理.......................66
一、强化 VOCs 治理..............................66
二、开展规范餐饮业油烟治理......................67
三、持续削减颗粒物浓度..........................67
四、加强移动源污染防治..........................67
五、建立区域环境联动机制........................68
第三节 深化土地污染综合治理.......................68
一、加强农用地土壤污染防治.....................68
二、强化建设用地土壤污染防治...................69
第四节 持续优化人居环境...........................70
一、加快建设森林城市...........................70
二、加快建设海绵城市...........................71
三、加快建设“无废城市”.......................71
四、提升农村人居环境...........................71
五、加快治理噪音扰民...........................72
第七章 有序实施碳达峰碳中和..........................73
第一节 统筹推进碳达峰行动.........................73
一、制定实施碳达峰方案..........................73
二、稳步推进九大产业碳达峰行动...................74
三、深度调整产业结构............................75
四、加快构建清洁低碳安全高效能源体系.............75
五、推进交通运输和城乡建设低碳化................76
第二节 加大政策支持力度...........................76
一、加强碳排放统计核算能力建设...................76
二、完善财税、金融等政策........................76
三、积极推进市场化机制建设......................77
四、加大绿色科技创新支持力度....................77
第三节 持续提升碳汇能力...........................78
一、巩固提升林业生态碳汇........................78
二、稳步提升农业生态和海洋生态碳汇...............78
第八章 深化生态文明体制机制改革......................79
第一节 加快构建现代环境治理体系...................79
一、完善流域综合治理机制.......................79
二、完善海洋综合治理机制.......................79
三、建立农村环境治理体系.......................80
四、完善环境监测监管体系.......................80
五、建立健全公众参与机制.......................80
六、推行环境信息公开制度.......................81
第二节 建立生态环境源头管控机制...................81
一、完善国土空间开发保护制度...................81
二、健全国土空间用途管控制度....................
三、严格决策环境影响评价制度....................83
第三节 完善生态产品价值实现机制...................83
一、健全生态产品产权制度.........................83
二、完善多元化生态补偿制度......................84
三、拓展生态产品价值实现模式.....................84
四、探索多元化资源环境价格机制...................85
第四节 健全生态文明建设责任机制...................85
一、完善领导干部考核机制.........................85
二、落实生态文明建设责任.........................86
三、践行生态文明社会责任.........................86
第五节 健全生态环境司法保护机制...................86
一、健全完善生态司法机制.........................86
二、健全完善生态环境公益诉讼制度.................87
第九章 保障措施......................................88
第一节 加强组织领导...............................88
第二节 强化项目带动...............................88
第三节 完善投入机制...............................89
第四节 严格监督考核...............................90
第五节 实施示范引领...............................90
前 言
“十四五”时期,是仙游县开启全面建设社会主义现代化国家新征程的第一个五年,是仙游县生态文明纵深发展,绿色经济高质量发展超越的关键时期,是深入贯彻习近平总书记木兰溪治理理念,朝着中央提出的“碳达峰”、“碳中和”目标前进的开启之年。仙游县将深入贯彻落实习近平总书记关于“十四五”规划编制的重要批示指示精神,继续高举习近平新时代中国特色社会主义思想伟大旗帜,坚持以习近平生态文明思想为统领,全面贯彻党的基本理论、基本路线、基本方略,坚持党的全面领导,坚持以人民为中心,坚持新发展理念,坚持深化改革开放,适应社会经济发展新形势和生态文明建设新要求,系统谋划好“十四五”生态文明建设专项规划,坚持山水林田湖一体化保护和系统治理,统筹产业结构调整、污染治理、生态保护、应对气候变化,协同推进降碳、减污、扩绿、增长,推进生态优先、节约集约、绿色低碳发展。
本规划以党中央国务院和省委省政府、市委市政府关于生态文明建设和体制改革的系列决策部署和《福建省国民经济和社会发展“十四五”规划和二○三五年远景目标》、《莆田市国民经济和社会发展第十四个五年规划和二○三五年远景目标纲要》、《莆田市“十四五”生态文明建设专项规划》、《仙游县国民经济和社会发展“十四五”规划和二○三五年远景目标》、《福建省仙游县国家生态文明建设示范县规划》为主要编制依据,全面贯彻党的十九大和十九届历次全会精神,以及省第十一次党代会、市第八次党代会、县第十四次党代会精神,同时将二十大精神全面贯彻落实到仙游的发展中,是推进仙游创建国家生态文明建设示范县的行动指南。规划期限为2021—2025年。
第一章 生态文明建设的成就与新要求
第一节 “十三五”生态文明建设成效
“十三五”以来,我县深入贯彻落实国家、省、市关于国家生态文明试验区(福建)的总体部署要求,牢固树立“绿水青山就是金山银山”理念,积极开展生态文明体制创新、制度供给和模式探索,生态文明建设格局不断优化,落实生态补偿办法、领导干部自然资源资产离任审计试点等工作取得突破,严格执行生态环保“党政同责、一岗双责”责任机制,持续加大投入,深入实施蓝天、碧水、净土、碧海四大工程,不断健全环境监测体系,持续加大环保监管力度,完善生态环保联席会议制度。一批生态文明重点改革任务和重点项目进展良好,生态文明理念已成为全县上下的共识。生态文明建设取得可喜成绩。
一、环境治管齐头并进
全力打好蓝天保卫战。开展企业排查整治,进一步削减颗粒物浓度,积极推进“煤改气”“煤改电”等重点工程,积极促进产业结构优化升级,淘汰落后产能,推进新能源汽车推广和充电桩建设力度,推进柴油货车污染治理攻坚战,开展工业锅炉改造专项行动。全力打好碧水保卫战。推进城镇污水处理设施建设,加快推进污水工程PPP项目建设,加快推进小流域综合治理,强化畜禽养殖污染治理,全面入河排污口排查整治工作,实施雨污分流管网修复改造,持续完善木兰溪流域水质监测监管体系,全面推行双河(湖)长制。全力打好净土保卫战。有序开展重点行业企业用地污染状况详查工作,加大污染地块的监管力度,提升医废集中处置率,加快城乡绿化美化,加快推进“绿盈乡村”创建工作。认真落实“双碳”工作。开展规划编制工作,开展自查自纠工作,推进新能源汽车推广和充电桩建设力度,加大低碳宣传力度。开展环保专项整治工作。深入开展环保专项执法行动,开展河湖“清四乱”整治行动,开展全县统一打捞水葫芦专项行动。加大对环境违法行为的打击力度。开展“双随机”执法检查,加大对非法采矿、非法排污等污染环境行为惩治力度,严厉打击非法采砂洗砂违法行为。实施生态环境智能化管理。加大生态环境监管综合能力建设,建设“智慧河湖”模式。规范化环保队伍建设。开展河道专管员队伍规范化建设试点工作,健全网格管理机制,加强护林员管理。
生态环境、水环境、大气环境质量持续改善,空气质量居莆田市前列。森林覆盖率达71.35%,森林蓄积量达875万立方米,城区绿化覆盖率达44.6%,空气质量指数继续保持全市前列,城市空气质量优良天数比例99.7%,党政领导生态环保目标责任书考核综合考评、空气质量优良率、森林覆盖率连续三年居全市第一。城市垃圾无害化处理率达100%,污水处理率94.03%。木兰溪仙游段流域水质(均值)功能达标率为100%;城乡集中式生活饮用水水源地水质功能达标率为100%;在用乡镇级饮用水源地Ⅲ类以上水质达标率达100%。人民群众的获得感和幸福感不断增强,荣获“中国生态旅游大县”“中国深呼吸小城100佳”“省级生态县”“国家园林县城”“福建省森林县城”“福建省十大空中最美家园”,连续2年上榜“中国最美县域榜单”。木兰溪治理情况荣登央视《新闻联播》及人民日报头版等主流媒体,同时列入省委党校课程。
一是落实和完善各类补偿机制。出台《关于2020年度木兰溪流域生态补偿资金的通知》,落实省政府以奖促补机制,有效推动地方落实流域环境保护的积极性;完善森林生态保护补偿机制,建立健全生态公益林补偿机制,实行国家级、省级与市级生态公益林补偿联动机制。参照生态公益林补偿机制,积极探索建立天然林补偿机制,提高天然乔木商品林停伐管护补助标准。二是完善市场化生态激励机制。出台《关于进一步推进排污权交易工作助力企业复产复工的通知》,按照水污染物指标价格不高于80%,大气污染物指标价格不高于90%的优惠政策,完成排污权交易15笔,助力企业复工复产。三是健全垃圾分类治理长效机制。印发《仙游县生活垃圾分类制度实施方案》和垃圾分类相关配套文件及垃圾分类指导手册,组织宣传队伍开展宣传活动。四是创新司法联动机制。成立检察官工作室,成立专门公益诉讼机构“生态环境巡回检察室”,开展“关爱木兰溪,保护母亲河”环保专项监督行动。五是健全生态文明绩效评价考核和责任追究制度。建立生态环保责任清单,建立党政领导生态环保考核机制,建立环保联席会商机制。六是建立环保问题整改机制。及时制定《仙游县贯彻落实中央生态环境保护督察报告整改方案》(仙委办〔2020〕13号),建立县领导包案及第三方监督评估机制,同步印发《中共仙游县委 仙游县人民政府关于成立仙游县生态环境保护督察整改工作领导小组的通知》(仙委〔2020〕22号),统筹推动中央生态环境保护督察反馈问题整改落实。
第二节 “十四五”生态文明建设新要求
当今世界的经济政治格局正在经历着百年未遇的深刻变革,而新冠肺炎疫情更是让这种格局更加充满变数和不确定性。以习近平同志为核心的党中央审时度势所提出的“逐步形成以国内大循环为主体、国内国际双循环相互促进的新发展格局”,努力在一个不确定世界中发现未来发展机遇的重大战略,其核心就是通过坚持中国特色社会主义建设的理论道路与既定方略,着力于进一步把自己的事情办好,并依此来提供可以做出的世界性贡献。其中,继续推进以绿色发展为核心议题的全球生态文明建设就是一个明智之选。展望我国“十四五”时期的生态文明建设,最为重要的是:实现环境治理体系与治理能力现代化。这种现代化不仅仅是经济技术层面上的修修补补或升级换代,更不是简单模仿或引入欧美国家现存的生态环境公共政策与管理制度。因此,“十四五”期间我国新时期生态文明建设的主要目标是,“生态文明建设实现新进步。国土空间开发保护格局得到优化,生产生活方式绿色转型成效显著,能源资源配置更加合理、利用效率大幅提高,单位国内生产总值能源消耗和二氧化碳排放分别降低13.5%、18%,主要污染物排放总量持续减少,森林覆盖率提高到71.35%,生态环境持续改善,生态安全屏障更加牢固,城乡人居环境明显改善。”可以看出,这些目标中的关键性指标是主要污染物排放总量的持续减少(生产生活方式的绿色转型)和生态环境质量的持续(根本)好转,而系统推进环境治理体系与治理能力现代化则是实现这些指标不断改善的适当切入点或“战略抓手”,也构成了“十四五”乃至更长时期我国生态文明建设的新主题。
生态文明建设视域下,环境治理体系与治理能力现代化至少包含如下四个方面基本要求:一是构建基于山水林田湖草是生命共同体理念对自然生态系统及其构成元素的整体性保护治理思维与制度体系。二是构建以生态环境整体质量提升为统摄目标的跨部门跨行业和面向大流域区域的协同联动(一体化)的行政监管治理体系。三是构建基于多元社会主体的多维度参与的全社会生态环境保护治理体系。四是构建生态环境保护治理融入到经济、政治、社会与文化建设各方面和全过程的“五位一体”新时代中国特色社会主义现代化建设总体布局,即人与自然和谐共生的现代化建设新格局。
“十三五”时期取得的发展成就为仙游县新一轮发展奠定基础、积蓄力量,生态环境等优势逐步凸显。尤其是党中央赋予福建全方位推动高质量发展超越的重大历史使命,也是仙游县千载难逢的重大历史机遇。习近平总书记对福建、莆田工作的重要讲话重要指示批示精神和治理木兰溪的重要理念,亲自擘画亲自启动木兰溪治理是仙游县发展的科学指引,必将继续引领仙游县攻坚克难、奋勇前行。仙游县完全有基础、有条件、有信心、有能力在新发展阶段取得更大突破。但同时也清醒认识到,仙游县发展仍然存在的一些短板弱项,绿色科技创新能力还不适应高质量发展要求,基础设施比较薄弱不能满足生态治理不断优化的需要,群众生态意识不强尚不能形成全民共建共享的生态保护格局。“十四五”时期仙游县在生态文明建设上肩负先行先试、引领示范的历史使命。对此,全县党员干部必须认真学习深刻领会二十大报告中关于生态文明建设的精神,以习近平生态文明思想为统领,深入贯彻落实习近平总书记治理木兰溪的重要理念,以木兰溪全流域系统治理为统揽,坚定不移走生态优先、绿色发展之路,实行最严格的生态环境保护制度,促进生态优势转化为实实在在的发展优势,推动生态文明建设向纵深发展。
第二章 生态文明建设的总体思路
第一节 指导思想
以习近平新时代中国特色社会主义思想为指导,全面贯彻党的十九大、十九届历次全会和党的二十大精神,中央生态文明建设工作会议精神,习近平总书记对福建、对莆田工作的一系列重要讲话重要指示批示精神,深刻领会习近平总书记关于木兰溪治理的重要理念,落实落细省第十一次党代会、市第八次党代会、县第十四次党代会的部署要求,把握新发展阶段、贯彻新发展理念、服务和融入新发展格局。充分发挥仙游县生态优势和区位特色,牢固树立和践行绿水青山就是金山银山理念,坚持节约优先、保护优先、自然恢复为主的方针,以木兰溪流域系统治理统揽新时代生态仙游建设为主要思路,以完善生态制度、维护生态安全、优化生态空间、发展生态经济、践行生态生活、弘扬生态文化为主要任务,严守资源消耗上限、环境质量底线、生态保护红线,坚定不移走生产发展、生活富裕、生态良好的文明发展之路,促进仙游县生态优势向发展优势转化,实现经济社会与资源环境协同发展。
第二节 基本原则
——坚持生态优先,绿色发展。牢固树立和践行绿水青山就是金山银山的理念,围绕绿色低碳,碳汇有价的思路,努力探索生态价值实现机制,大力开展国土绿化建设,持续增加绿色资源,切实维护自然生态系统平衡,推进社会经济发展和生态环境保护协调统一;建设天蓝、地绿、水清的美好家园,促进人口资源环境均衡发展。构建人与自然和谐共生的现代化建设新格局。
——坚持创新驱动,节能减排。以科技创新为抓手,围绕碳达峰、碳中和战略决策部署,加快推进存量经济绿色化改造,增量经济绿色化构建,推动产业结构低碳化、制造过程清洁化、资源能源利用高效化,加快构建绿色生产体系,形成绿色、循环、低碳的可持续经济发展模式。
——坚持统筹规划,分步实施。生态文明建设是一个系统工程,要深刻领会山水林田湖草生命共同体系统思想,统筹考虑自然生态各要素、山上山下、地上地下、陆地海洋以及流域上下游,进行整体保护、系统修复、综合治理,确保顶层设计科学性、完整性。同时生态文明建设也是一项耗资巨大的工程,因此在建设过程中要分步实施,量力而行,做到与地方人力、物力、财力相匹配。
——坚持深化改革,制度保障。科学把握生态文明建设的系统性、完整性及其内在规律,按照源头预防、过程控制、损害赔偿、责任追究的思路,构建产权清晰、多元参与、激励约束并重、系统完整的生态文明制度体系。
——坚持政府引导,全民参与。强化政府绿色经济发展的制度供给和规划制定,落实地方政府目标责任制,加强部门协作,形成工作合力。加强绿色文化的宣传教育,提高全社会生态文明意识,形成政府、企业、公众共治的生态文明建设体系,引导全社会共建共享绿色发展成果。
第三节 建设目标
“十四五”生态文明建设的主要目标是:加快推进生产绿色化、生态产业化、能源清洁化、生活低碳化,到2025年,生态文明建设扎实推进,资源利用更高效,污染控制更全面,生态保护更完善,绿色产业上新台阶,环境质量进一步巩固,绿色生产生活方式水平显著提升,生态文明制度改革持续深入。形成木兰溪水生态治理典范,建成山水人文特色名城,打造“生态优美、文化璀璨、宜居宜业”的魅力仙游。
——资源利用更高效。按照国家、省统一部署和要求,降低碳排放强度,制定碳排放达峰行动方案。按年度完成省市下达的“十四五”目标任务,完成单位GDP二氧化碳排放降低率、单位GDP能源消耗降低率、非化石能源占一次能源消费比重,争取率先达到碳排放峰值。单位GDP建设用地面积下降率完成上级下达指标。
——污染控制更全面。实施相应主要污染物指标总量控制,按年度完成省市下达的“十四五”目标任务。农村生活污水提升治理率达70%,继续保持城镇生活垃圾无害化处理率100%,农村生活垃圾无害化处理率100%。
——生态保护更完善。陆海空间开发格局更加优化,陆域保护面积占国土面积比例稳定在15%以上,森林覆盖率保持70%以上,水土保持率保持在92.5%以上,城市人均公共绿地面积在12m2 以上。
——环境质量更巩固。县级集中式饮用水源地水质优良比例稳定在100%,主要流域国省控断面水质优良比例达100%,重点流域木兰溪功能达标率和I类-Ⅲ类水质比例均达100%,生态文明建设的木兰溪样本进一步巩固提升,小流域省控断面水质优良比例力争达100%,近岸海域国省控站位水质优良比例达95%以上,消除入海溪流劣Ⅴ类水体。全县空气优良天数比例达98%,城市细颗粒物(PM2.5)年均浓度达到国家二级标准,城市空气质量年均浓度达二级标准以上的比例达到98%以上。土壤环境质量基本保持稳定,新增建设用地土壤环境安全保障率达100%,耕地土壤环境质量达标率均达93%以上。
——生产生活更绿色。勤俭节约、绿色低碳、文明健康的生产生活方式基本形成,生态文明成为社会主流价值观,生态文明建设水平与美丽宜居生态县建设相适应。
——制度改革更深入。以“三线一单”为核心的生态环境分区管控体系基本建立,自然资源资产产权制度、流域生态保护补偿机制、生态司法保护体系得到全面完善。
展望2035年,要深入贯彻习近平生态文明思想,牢固树立和践行绿水青山就是金山银山理念,深化生态文明建设攻坚行动,坚持节约优先、保护优先、自然恢复为主,促进经济社会发展全面绿色转型,广泛形成绿色生产生活方式,碳排放达峰后稳中有降,生态环境根本好转,实现人与自然和谐共生,塑造生态文明新优势,持续保持“中国生态旅游大县”、“中国最美县域榜单”、“国家园林县城”的称号,实现建成全国生态文明典范城市的远景目标。
表1 仙游县“十四五”生态文明建设规划指标
|
类别 |
序号 |
指 标 名 称 |
2025年目标值 |
指标 属性 |
责任单位 |
|
资源 利用 |
1 |
单位GDP二氧化碳排放降低率 |
按年度完成省市下达“十四五”指标 |
约束性 |
仙游生态环境局 |
|
2 |
单位GDP能源消耗降低率 |
按年度完成省市下达“十四五”指标 |
约束性 |
县工信局 |
|
|
3 |
非化石能源占一次能源消费比重 |
按年度完成省市下达“十四五”指标 |
约束性 |
县发改局 |
|
|
4 |
新增建设用地规模 |
不超过省市下达指标 |
约束性 |
县自然资源局 |
|
|
5 |
单位GDP建设用地面积下降率 |
按年度完成省市下达“十四五”指标 |
预期性 |
县自然资源局 |
|
|
6 |
用水总量 |
按年度完成省市下达“十四五”指标 |
约束性 |
县水利局 |
|
|
7 |
单位GDP用水量 |
按年度完成省市下达“十四五”指标 |
约束性 |
县水利局 |
|
|
8 |
耕地保有量 |
按年度完成省市下达“十四五”指标 |
约束性 |
县自然资源局 |
|
|
9 |
农田灌溉水有效利用系数 |
不低于省市下达指标 |
预期性 |
县水利局 |
|
|
10 |
一般工业固体废物综合利用率 |
≥90% |
预期性 |
县工信局 |
|
|
污染控制 |
11 |
化学需氧量排放总量减少 |
按年度完成省市下达“十四五”指标 |
约束性 |
仙游生态环境局 |
|
12 |
氨氮排放总量减少 |
按年度完成省市下达“十四五”指标 |
约束性 |
仙游生态环境局 |
|
|
13 |
二氧化硫排放总量减少 |
按年度完成省市下达“十四五”指标 |
约束性 |
仙游生态环境局 |
|
|
14 |
氮氧化物排放总量减少 |
按年度完成省市下达“十四五”指标 |
约束性 |
仙游生态环境局 |
|
|
15 |
农村生活污水提升治理率 |
70% |
预期性 |
仙游生态环境局 |
|
|
污染控制 |
16 |
城镇生活垃圾无害化处理率 |
100% |
预期性 |
县城管局 |
|
17 |
农村生活垃圾无害化处理率 |
100% |
预期性 |
县城管局 |
|
|
生态保护 |
18 |
森林覆盖率 |
按年度完成省市下达“十四五”指标 |
约束性 |
县林业局 |
|
19 |
水土流失综合治理面积 |
10万亩 |
预期性 |
县水利局 |
|
|
20 |
水土流失率 |
≤7.5% |
预期性 |
县水利局 |
|
|
21 |
城市人均公共绿地面积 |
≥12m2 |
预期性 |
县住建局 |
|
|
22 |
县级集中式饮用水源地水质达标率 |
100% |
预期性 |
仙游生态环境局 |
|
|
23 |
主要流域国省控断面水质优良比例 |
≥95% |
预期性 |
仙游生态环境局 |
|
|
24 |
重点流域木兰溪功能达标率和I类-Ⅲ类水质比例 |
100% |
约束性 |
仙游生态环境局 |
|
|
25 |
地表水达到或好于Ⅲ类水体比例 |
按年度完成省市下达“十四五”指标 |
约束性 |
仙游生态环境局 |
|
|
26 |
近岸海域国省控站位水质优良比例 |
≥95% |
预期性 |
仙游生态环境局 |
|
|
27 |
城市空气质量优良天数比例 |
≥95% |
约束性 |
仙游生态环境局 |
|
|
28 |
细颗粒物(PM2.5)年均浓度达标率 |
达到国家二级标准 |
约束性 |
仙游生态环境局 |
|
|
29 |
重点建设用地安全利用 |
有效保障 |
约束性 |
仙游生态环境局 |
|
|
30 |
耕地土壤环境质量达标率 |
93%以上 |
预期性 |
县农业农村局、仙游生态环境局 |
|
|
31 |
新能源汽车保有量 |
3000辆 |
预期性 |
县交通运输局、公安局、工信局 |
|
|
32 |
绿色出行(城镇每万人口公共交通客运量) |
15万人/万人次 |
预期性 |
县交通运输局 |
|
|
33 |
城镇绿色建筑面积占新建建筑比重 |
100% |
预期性 |
县住建局 |
|
|
34 |
城市建成区绿地率 |
45% |
预期性 |
县住建局 |
|
|
公众满意程度 |
35 |
居民对本地区生态文明建设的满意程度 |
96% |
预期性 |
县发改局 |
第三章 构建生态安全格局
第一节 优化国土空间开发保护格局
根据全县经济结构、资源禀赋、生态状况、区位特征和人口集聚状况,严格落实国家、省、市主体功能区规划,建立健全国土空间规划和用途统筹协调管控制度,健全“多规合一”机制,以资源环境承载能力和国土空间开发适宜性评价为基准,立足全县资源环境承载能力,构筑国土空间开发保护总体格局,形成“高效集约、宜居适度,开放协同、繁荣有序”国土空间开发保护秩序。
遵循“生态功能不降低、面积不减少、性质不改变”的原则,调整优化生态保护红线,将与生态保护红线保护原则不相符的区域调出生态保护红线,将整合优化后的自然保护地和国家级公益林、重要水系纳入生态保护红线,保障生态保护红线生态功能的系统性、完整性,做到应划尽划、应保尽保。
生态保护红线内严格禁止开发性、生产性建设活动,核心保护区内禁止人为活动,一般控制区内在符合现行法律法规前提下,除国家重大战略项目外,仅允许对生态功能不造成破坏的有限人为活动。
遵循面积不减少、质量不降低、布局总体稳定的原则,坚持守住永久基本农田保护红线,保证永久基本农田适度合理的规模和稳定性,优先保障粮食安全。
依据《基本农田保护条例》等相关法律法规对永久基本农田进行保护,严格规范永久基本农田上农业生产活动,不得种植破坏耕作层的植物;严控建设占用永久基本农田,一般建设项目不得占用永久基本农田,重大建设项目选址确实难以避让永久基本农田的,要进行严格论证,并制定补划方案。
坚持“节约优先、保护优先”的原则,以城镇开发建设现状为基础,严格避让生态保护红线,尽可能少占耕地和永久基本农田,在“双评价”城镇建设适宜区内,推进生态优先、集约节约、绿色低碳发展。
城市开发边界内,要加强与水体保护线、绿地系统线、基础设施建设控制线、历史文化保护线等控制线的协同管控。在不突破规划城镇建设用地规模的前提下,城镇建设用地布局可在城镇弹性发展范围内进行调整,同时相应核减城镇集中建设区用地规模。特别用途区原则上禁止任何城镇集中建设行为,实施建设用地总量控制,不得新增城镇建设用地。
第二节 构建生态空间保护格局
统筹划定落实生态保护红线,以“三线一单”生态环境分区管控体系为依据,构建“一心三线七核”生态空间保护格局。“一心”:中心县城;“三线”:木兰溪沿线、海岸线、北部生态保护线;“七核”:麦斜岩生态绿核、九鲤湖生态绿核、菜溪岩生态绿核、仙水洋生态绿核、大蜚山生态绿核、南部丘陵生态绿核、湄洲湾生态绿核。
“中心县城”。重点加强县城主城区生态保护。仙游县主城区是人口密度最高的聚居地,是仙游政治、经济、文化、社会活动中心。经过多年努力,仙游城区绿化覆盖率达44.6%,空气质量指数保持全市前列,城市空气质量优良天数比例力争达到100%,荣获“国家园林县城”、“中国深呼吸小城100佳”、“福建省森林县城”、“福建省十大空中最美家园”的城市品牌,这是仙游重要的生态品牌。为永久保住这些城市生态品牌,仙游十四五要继续加强城区绿化,保护好河流廊道、道路廊道、生物廊道,加大退二进三力度,限制污染企业进入,实施资源回收循环利用战略,大力推广绿色建筑、绿色交通、绿色消费,培育城市生态文化。
“木兰溪沿线”。重点加强木兰溪流域沿线生态保护。木兰溪是莆仙的母亲河,承载着莆仙厚重的历史文化,起着“以水定城、以水定地、以水定人、以水定产”的决定性发展作用,因此,木兰溪应该是仙游十四五生态保护的重中之重。木兰溪流域生态保护的核心是水资源保护,围绕水资源保护,要强化流域林土保护,编制木兰溪流域产业布局规划,以木兰大道建设为抓手,推动“一溪两岸”沿岸联线开发,合理布局生态岸线、景观岸线、生活岸线,建设滨溪见绿、开敞有序的滨溪公共空间系统,打造木兰大道宜居宜业示范带。木兰溪是九十九座山的三百六十条溪涧的无穷无尽流水汇聚而成的,因此,需要重点保护的不仅是木兰溪干流,而且是木兰溪流域的众多支流(包括中岳溪、溪口溪、大济溪、龙华溪、苦溪、柴桥头溪、仙水溪、延寿溪、九鲤湖溪),以及干流、支流经过的林、土、草、湖、库。
“海岸线”。重点加强沿海绿色屏障带建设。枫亭海岸线虽然不长,但却是仙游唯一的出海口,要严格按照国家海洋局印发的《海岸线保护与利用管理办法》,实行分类保护,制定管控计划,严格红线管理,将严格保护岸线纳入生态保护红线管理。要制定海岸线整治修复规划和计划,明确整治修复项目实施要求,加强海岸线防护体系建设,尽快形成沿海绿色屏障带。
“北部生态保护线”。重点加强北部生态保护线内生态安全屏障区保护。仙游县地处木兰溪上中游,全境分布着“七山一水二田”,素有“绿色金库”之称,是莆田市重要的生态屏障。仙游北部山区森林蓄积量达800多万立方米,这是仙游县城重要的生态安全屏障。仙游北部山区不仅承载着仙游生态安全屏障的功能,而且还是仙游生态旅游示范区的核心,已荣获“中国生态旅游大县”、“省级生态县”。十四五要严格保护山体,推进植被恢复,加强山体生态修复与保育,增强水源涵养能力、水土保持和生物多样性保护功能,发挥城市屏障作用。要着力强化监测,做好森林病虫害监测;着力强化保障,开展森林综合保险;加强森林执法,强化24小时值守服务“森林110”工作机制,持续打击滥砍盗伐、毁林开垦、野外用火、乱捕滥挖野生动植物等涉林违法犯罪行为,保护自然生态;通过大数据平台拓展线上投诉、快抓快捕等渠道,进一步凝聚民间力量,让群众自发、自觉成为森林的守护者,野生动植物的保护者,共同筑牢齐抓共管、联防联治生态安全屏障。
重点加强麦斜岩生态绿核、九鲤湖生态绿核、菜溪岩生态绿核、仙水洋生态绿核、大蜚山生态绿核、南部丘陵生态绿核、湄洲湾生态绿核的保护,这七个生态核心区是“中国生态旅游大县”的重要支撑,要加强对森林公园、风景名胜区、水源保护区等历史文化及山水资源保护,增加绿地开放空间。
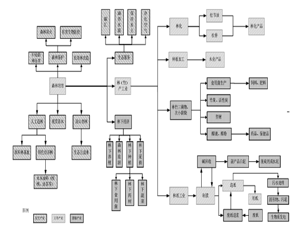
第四章 推进经济绿色发展
加快推进产业生态化、生态产业化,调整优化产业结构,聚焦绿色产业发展方向,做大绿色产业规模,全面推行绿色循环低碳生产方式,大力推动科技创新、节能降耗、清洁生产、资源综合利用,合理延伸产业链,推动企业间、行业间、产业间的循环链接,改造提升传统产业,加快推进绿色园区、绿色工厂、绿色产品、绿色供应链等绿色生产体系建设,促进国民经济提质增效。2025年,全县绿色经济产业产值突破260亿元。
第一节 培育绿色农业发展新优势
一、优化农业产业结构和布局
在严格落实农业功能区制度的前提下,立足仙游县区位优势,特色资源禀赋和农业产业基础,优化形成“一区两带”的特色现代农业产业发展格局。
“一区”:即特色现代农业产业园区。以蔬菜、水果种植为发展重点,培育一批特色农业产业化龙头企业、优质农产品标准化示范基地和农产品产地加工中心,形成农业产业化集约区域。到2025年,建成以度尾为中心的文旦柚全产业链基地,以钟山和游洋为主的北部山区大米产业园,以龙华为中心的优质薏米特色农产品优势区,以菜溪、社硎、石苍为主的油茶示范基地,以度尾、钟山为主的苗木花卉基地。
“两带”:即绿色生态农业发展带和木兰溪两岸农旅融合发展带。绿色生态农业发展带主要位于钟山、游洋、石苍、菜溪和西苑等乡镇。依托优越的高山盆地气候及区位交通优势,建立多元经营主体协同参与的现代农业产业化经营模式;大力发展绿色高山蔬菜,引进高海拔蔬菜新品种;推广名优水果、优质水稻、品牌花卉等特色农产品生产;支持林下经济项目建设,促进林业提质增效。以国家级仙游台湾农民创业园为依托,大力开展仙台农业合作,突出农产品精深加工项目,打造对台农业交流合作示范基地。依托历史文化等旅游资源,打造成为现代农业生产与休闲观光融合的现代绿色生态农业发展带。木兰溪两岸农旅融合发展带沿木兰溪流域分布,主要包括西苑、度尾、大济、龙华、鲤城、赖店、榜头和盖尾等乡镇。依托该区域得天独厚的自然资源和底蕴深厚的人文资源,加强名优水果、茶、蔬菜、薏米和畜禽产业等绿色化、标准化生产。依托木兰溪流域综合治理工程建设,统筹沿线多个美丽乡村发展,发展集休闲、娱乐、度假、生态、旅游、科普经营为一体的生态休闲农业。
二、推广现代绿色农业生产方式
实施农业节约集约生产。推广管道输水、滴灌、水肥一体化等高效节水灌溉技术,扩大有效灌溉面积。发展农作物间套作种植模式,提高土地利用率。实施小流域综合治理,切实提高耕地质量。稳步推进低效林改造,增加森林蓄积,提高林分质量。加大生态养殖技术示范推广工作,改进传统的养殖方式,提高生态养殖业水平。
实施农业清洁生产。科学使用农业投入品,深入推进有机肥替代化肥、化肥减量增效行动,加快实施化学农药减量替代计划,推进绿色防控和科学用药。加强对绿色有机农产品关键技术如高抗、多抗新品种,高效、低毒、低残留农药及生物农药、生物肥料等新技术的推广应用。力争从2021开始每年全县化肥使用量减少2%以上。
强化农业标准化生产。规范绿色有机农产品的生产行为,健全农产品质量安全监管追溯体系,提高“国家农产品质量安全县”建设水平,推动品种培优、品质提升、品牌打造和标准化生产。力争到2025年,“三品一标”认证产品120个、福建名牌农产品5个以上。
大力推广农业循环经济模式。加快推进农业循环经济典型模式示范,促进形成三产融合的复合型循环经济产业体系。加快实施种养业循环一体化工程,发展“生态养殖+种植+农产品深加工”农业循环经济,探索农林牧渔循环利用融合发展模式,培育集养殖、种植加工为一体的全产业链循环农业,打造成现代技术、生态环保、农业循环经济和产业扶贫示范区,构建莆田市最大的农业产业园区。推广秸秆过腹还田、腐熟还田。实施畜禽粪污资源化利用整县推进项目,支持集中收集利用畜禽粪污及垫料生产有机肥的加工厂、沼液资源化利用种植示范基地建设和畜禽粪污资源化利用信息化监管中心建设。到2025年,全县畜禽粪污综合利用率达95%,规模养殖场粪污处理设施装备配套率达到100%。将畜禽粪污资源化利用、果茶菜有机肥替代化肥、耕地质量提升等项目有机结合,形成政策合力,加强畜禽粪便资源化利用,做大做强规模化养殖沼气工程。
提高农业机械化、信息化水平。发挥“全国平安农机”示范县作用,大力发展数字农业、智慧农业,积极发展蔬菜、花卉和食用菌产业等设施农业,以度尾文旦柚产业园、温室大棚蔬菜基地、金沙薏米基地为载体,引进、推广新型农技设备,有效提高农业生产机械化和信息化程度。
实施规模化战略。大力培育专业大户、家庭农场、农民合作社、农业企业等新型农业经营主体,发展职业农民队伍,发展多种形式适度规模经营,完善集约化、专业化、组织化、社会化相结合的农业经营体系。大力培育新型农业经营主体,鼓励农业中小企业实施股份合作,组建大型农村产业集团,培育一批实力强、示范带动力突出的农业产业化龙头企业。按照品种优良、技术先进、生产标准、产品安全、流转规范、规模适度、效益良好、带动力强的要求,推广“龙头企业+合作社+农户”等多种经营模式,构建家庭经营、集体经营、合作经营、企业经营等共同发展的现代农业经营体系。实施家庭农场培育计划,探索特色产业支撑家庭农场发展模式,大力推进典型示范,强化家庭农场示范场农产品加工、保鲜、冷藏、包装设施设备建设和栽培设施建设,加快培育一批产业特色鲜明、经营规模适度、经济和生态效益明显的家庭农场。力争到2025年,建成市级以上龙头企业29家、示范家庭农场16家以上。
实施品牌化战略。加强生态原产地产品保护,深化国家地理标志产品品牌建设,全面打响“度尾文旦柚、金沙薏米、书峰枇杷、金溪郑宅茶和仙游甜柿”五大国家地理标志产品文化品牌,探索实施生态化、智慧化、精细化生产,注重产品质量与内涵的提升,引领生态精品农业发展。高规格启动仙游国家地理标志产品文化形象策划设计。探索举办五大国家地理标志产品文化旅游节,不断提升国家地理标志产品的影响力与知名度。支持和鼓励农业龙头企业、农民合作社等农业生产主体申报绿色食品、有机农产品和地理标志等商标。依托特色农产品优势区创建、申报,加强传统品牌的整合,大力培育一批自有知识产权的区域公用品牌作为仙游绿色农产品“地域名片”。创新和优化品牌宣传形式,融合传统媒体和新媒体宣传手段,构建“全方位、立体式、高强度”宣传推介态势。组织企业组团参加国内外食品博览会、农产品展销会,适时开展仙游特色农产品产销对接活动,不断扩大绿色农产品知名度。构建示范区保障和追溯体系。对度尾文旦柚、书峰枇杷、仙游甜柿等具有原产地特征和特性的良好生态型产品,实施以绿色环保、低碳节能、资源节约为关注重点的区域化管理。积极开展农产品质量安全追溯体系建设,在现有 515 家基础上继续推动生产主体纳入福建省食用农产品合格证与一品一码追溯并行系统。逐步推进二维码追溯等信息技术手段应用,实现仙游从田头到餐桌的无缝监管,确保百姓“舌尖上的安全”。
实施“互联网+”战略。打造区域性农产品电商平台,构筑农特产品物流中心,加快建设主要行政村电子商务服务点,全力提升产销对接的营销模式,重点推进“立足莆田、面向海西、辐射东南亚”的福建省供销农特产品电商产业园建设。依托仙游农特产品供应链平台,按照“一城一基地、一镇一特色”的思路,发挥特色农业大镇(度尾文旦柚、书峰枇杷、钟山甜柿、游洋桔柚等)本地产业优势,对接京东、淘宝、快手、抖音等直播电商平台,建设产业带直播电商基地,同时探索综合性直播电商基地的建设与运营,以度尾仙游好货(农特产品)共享直播基地为试点,加速推进各乡镇直播基地建设,培育一批特色突出、示范性强的产业带直播基地,孵化一批仙游特色农产品网红品牌,培养一批网红带货主播,推动直播电商产业快速发展。
第二节 大力推进制造业绿色升级
加快传统产业绿色改造,推进产业结构优化升级,打好产业基础高级化、产业链现代化攻坚战,做大做强做优产业集群,实现经济效益和生态效益双丰收。
实施优势产业倍增计划。立足仙游县雄厚传统文化底蕴和工艺美术产业发展基础,全力完善“一街两镇四走廊、一园六个城”发展平台,深化产业发展内涵,推动工艺美术产业向文化创意产业延伸,积极推动大数据、云计算、人工智能等新一代信息技术与工艺美术产业融合发展,将工艺美术产业集群打造成为千亿产业集群、全球工艺美术第一品牌。
实施传统产业绿色提升计划。针对多样化、个性化的消费需求,瞄准绿色、生态、健康的发展方向,突出两化融合、智能制造,运用新技术、新业态、新模式改造提升传统产业,推动绿色食品、医药和以绿色原材料为主的鞋服纺织等产业内涵发展。
实施战略性新兴产业强基计划。突出开放招商,强化项目带动,围绕产业链建设目标,精准谋划对接一批产业链缺失项目、延伸项目和升级项目,持续提升核心基础零部件、先进基础工艺、关键基础材料和产业技术基础等配套能力,通过延链、补链、强链,推动电子信息、高端装备、新型功能材料、新能源等战略性新兴产业集聚集约集群化发展。
实施未来产业培育发展计划。抢抓全球科技产业变革和国内经济转型机遇,构筑技术、产业、应用互动融合和人才、制度、环境相互支撑的生态系统,推动5G网络、大数据、平台模式、文旅资源等与实体经济的深度融合,大力培育数字经济、平台经济、文旅康养等未来产业,打造经济高质量发展新引擎。
加快创建具备用地集约化、生产洁净化、废物资源化、能源低碳化等特点的绿色工厂。强化工业项目环境影响评价管理,对原料使用、资源消耗、资源综合利用以及污染物产生与处置等进行分析论证,优先采用资源利用率高以及污染物产生量少的清洁生产技术、工艺、设备。积极推广清洁能源,提升可再生能源使用比例。全面推行清洁生产,依法在“双超双有高耗能”行业实施强制性清洁生产审核,探索开展行业、工业园区和企业集群整体清洁生产审核。大力开展企业节能技术改造、推广节能技术产品,积极实施节能循环经济重点项目,持续开展燃煤锅炉(窑炉)改造、电机系统节能、能量系统优化、余热余压回收利用等节能降耗绿色改造,推进制造业绿色低碳转型升级。加快重点用水行业节水技术改造,提高工业集约用地水平,推广应用节材技术。持续做好排污许可发证登记工作,加强排污许可证后监管,对“散乱污”企业分类实施关停取缔、整合搬迁、整改提升等措施。大力推广产品或包装物的生态设计,优先采用无毒无害或低毒低害、易于降解或拆解、便于回收利用的材料和设计方案。
以加快各类开发区整合步伐、实施工业园区标准化建设为契机,积极推进绿色园区建设。紧密结合园区产业基础、发展定位、资源禀赋和环境状况,以循环经济“减量化、再利用、资源化”为原则,按照“布局优化、产业成链、企业集群、物质循环、创新管理、集约发展”的要求,统筹规划园区空间布局,创新体制机制和管理运营模式,提升开发区循环经济管理服务能力和公共基础设施建设水平。坚持把高新技术和先进实用技术作为循环化改造的重要支撑,加快构建以海安橡胶、滨海化工、协诚鞋业、辉特体育、益明纺织、大起机械、日晶玻璃等重点企业为主体的循环化改造示范试点体系,积极打造循环经济产业链条,延伸以纤维资源循环利用为主线的绿色纺织鞋服产业链条,构建废旧玻璃资源综合利用的再生资源产业链条,切实推动化工新材料、纺织鞋服、机械制造等传统优势产业向品牌、技术、高附加值和绿色低碳循环方向转型提升,力争将仙游经济开发区建设成为福建省绿色、低碳、循环发展的典型示范基地。
按照全生命周期的理念,在产品设计开发阶段系统考虑原材料选用、生产、销售、使用、回收、处理等各个环节对资源环境造成的影响,实现产品对能源资源消耗最低化、生态环境影响最小化、可再生率最大化。选择量大面广、与消费者紧密相关、条件成熟的产品,应用产品轻量化、模块化、集成化、智能化等绿色设计共性技术,采用高性能、轻量化、绿色环保的新材料,开发具有无害化、节能、环保、高可靠性、长寿命和易回收等特性的绿色产品。在产品生产阶段,通过改进设备和工艺流程,开发更佳的生产流程和发展绿色技术,搞好污染防范及末端处理,消除减少废、污物的产生和排放,以实现合理利用资源,促进产品生产和消费过程与环境相容,减少整个生产活动对人类和环境的危害。通过资源的有效利用、短缺资源的代用、资源的再利用,以及节能、省料、节水,以实施资源的合理利用,减缓资源的耗竭。
建立以资源节约、环境友好为导向的采购、生产、营销、回收及物流体系,推动上下游企业共同提升资源利用效率,改善环境绩效,达到资源利用高效化、环境影响最小化,链上企业绿色化的目标。在鞋服纺织、食品、新能源等行业选择一批代表性强、行业影响力大、经营实力雄厚、管理水平高的龙头企业,按照产品全生命周期理念,加强供应链上下游企业间的协调与协作,发挥核心龙头企业的引领带动作用,确立企业可持续的绿色供应链管理战略,实施绿色伙伴式供应商管理,优先纳入绿色工厂为合格供应商和采购绿色产品,强化绿色生产,建设绿色回收体系,搭建供应链绿色信息管理平台,带动上下游企业实现绿色发展。
第三节 提高服务业绿色发展水平
抢抓科技革命、产业变革、消费升级发展新机遇,加快业态创新、模式创新、服务创新,全面提升现代服务业质量和效益。大力发展现代物流、金融保险、文化传媒、创意设计、软件信息、中介会展、科技研发和总部经济等生产性服务业。以产业转型升级需求为导向,加快推进生产性服务业高端化、品质化、集约化转型升级,提高生产性服务业供给质量。提升发展商贸服务、家政服务、文旅服务、健康服务等生活性服务业,适应消费结构升级新需求,创新服务业态和商业模式,推动生活性服务业便利化、精细化、品质化发展。到2025年,全县服务业增加值占地区生产总值比重超50%。
以物流、餐饮住宿、旅游业为重点,推进服务行业节能减排和清洁生产。
餐饮住宿业。加快推进照明、空调、锅炉系统节能改造,推广使用节能节水产品和无磷高效洗涤剂,减少一次性消耗品消费量,倡导光盘行动,推行垃圾分类、厨余垃圾综合利用、提高中水回用率、治理餐饮油烟。鼓励大型餐饮住宿企业建设具有集中采购、加工、贮存和配送等一体化功能的厨房。
物流业。调整运输结构,加强物流运输组织管理,加快相关公共信息平台建设和信息共享。推广绿色低碳运输工具,优先使用新能源或清洁能源汽车。合理规划和优化仓储布局,建设绿色智慧物流园区。支持物流企业构建数字化运营平台,鼓励发展智慧仓储、智慧运输,推动建立标准化托盘循环共用制度。大力发展产地物流、多式联运和共享第三方物流,建立公共配送体系,促进运输减量化。
旅游业。加强旅游资源保护性开发,严格执行旅游项目环境影响评价制度,合理确定景区游客容量。推进旅游设施建设采用节能环保产品,利用可再生能源,配套建设污水再生利用、雨水收集、垃圾无害化处理系统。支持旅游景区使用节能环保交通工具,科学设置垃圾分类回收装置,推进废弃物分类回收和资源化利用,推进旅游业开发、管理、消费各环节绿色化。
加大融头新城、凯天城、顺安广场、锦福滨江国际等商务楼宇的招商力度,重点引进金融、物流、科技、创意、信息、中介等现代服务业龙头、知名企业落户;在大力支持点钢、东铭、青拓、优之源等现有超亿元总部型企业的同时,实施开放招商,强化项目带动,鼓励引进国内外著名服务业企业集团总部、地区总部、采购中心、研发中心。探索加快资产重组等企业改革,引导资源要素合理集聚,加速培育和发展壮大一批具有核心竞争力、规模大、实力强的本土商贸、物流、文旅、康养、平台经济企业集团。实施服务业品牌战略,加快服务业品牌创建,制定服务业品牌培育计划,完善服务业品牌评价办法和评价机制,引导服务业企业积极注册商标,支持服务业重点企业参评国家、省服务业品牌。
大中型零售批发企业(市场)全部完成节能改造,星级酒店全部达到绿色饭店标准,餐饮业油烟污染得到全面治理。
第四节 建设八大绿色产业
一、生态农业
实施枇杷、桔柚、甜柿、薏米、茶叶、文旦柚、钟山大米蔬菜等特色农产品提质扩面工程,建设一批国家级、省级生态农场。引进和扩大台湾树葡萄等特色农产品种植,着力延伸产业链,进一步拓展生态农业发展空间。推广绿色有机种植技术,开展生态控制、生物防治和物理防治等统防统治示范,逐步实现化肥农药减量增效,加强畜禽粪便资源化利用。延伸生态农业产业链,大力发展农产品深加工,积极引进茶叶和果蔬饮料龙头生产企业,筹建优质农产品数字展销平台,全力打造仙游优质农产品牌,推动仙游特色农产品销全国、卖全国。加快钟山欧中花卉产业园项目、菜溪特色现代农业项目、度尾文旦柚智慧产业园、度尾花卉创意农业园、大济增光蛋鸡养殖项目、牛樟芝产业一体化项目、意达科技辣椒深加工项目、供销社大米加工项目、闽中真田食品加工项目、金沙薏米扩产项目等重点绿色农业项目建设,有效扩大绿色农业产业规模。

仙游四大名果产业链
积极发展绿色畜牧业,鼓励引导正邦、天宇、春瑞、亿顺、仙野等业主建设高标准生猪养殖场;促进正邦产业链项目一期投产。推行农业生产绿色化,开展生态控制、生物防治和物理防治等统防统治示范。结合我县山地资源地理优势,探索多方合作产业运营模式,建立多方共赢的畜牧业发展格局。实施“六位一体循环经济模式”,鼓励养殖企业走绿色有机、生态高效的发展之路。

“六位一体”循环经济模式
二、现代林业
大力发展碳汇林业,加强生态公益林、天然林及“三沿一环”等重点生态功能区的强制性保护和生态修复,进一步扩大森林面积,提高林分质量,增强森林生态系统整体固碳能力。探索发展碳汇经济,支持国有林场积极探索建立林业碳汇平台,并逐步将林业碳汇项目向全市集体林地覆盖,让广大林农也能在绿色发展中共享更多生态红利,成为新时代的“卖炭翁”。加快建设沉香、降香黄檀等珍贵树种用材林基地,争取到2025年新增珍贵树种1500亩,助力我县工艺美术和天然香产业发展。积极发展竹加工业和笋用竹林,建设竹胶合板等制造项目,特别是鼓励发展竹基新材料产业,争取引进精制竹浆、丝、薄膜、纳米纤维素、竹缠绕复合材料生产企业,努力培育竹基新材料产业集群。扩大优质油茶林种植面积,改造油茶林1000亩以上,进一步提高油茶产量,支持油茶加工销售企业发展,打响仙游油茶品牌。引导和支持林下经济发展,推广林菌、林药、林草、林粮、林禽、林畜、林油、林菜、苗木花卉等模式,建设一批林下经济特色基地。加快推进仙游县林下经济基地、游洋林下闽药生产示范基地等项目建设。加快森林景观利用的有序开发,推进森林特色小镇建设,支持开展森林体验和养生基地、森林文化教育和社会实践基地建设,加快发展森林康养、休闲体验、山地运动、科考科普、生态教育等“森林+”旅游新业态,做优做强森林旅游业。
林业经济产业链示意图
三、新能源及装备产业
按照碳达峰碳中和的目标要求,发挥产业和资源优势,加大科技创新和招商引资力度,做大做强新能源产业,培育发展新能源装备产业,加快新能源示范和推广应用,建设新能源产业集群。2025年,完成我县非化石能源占一次能源消费比重目标,争取率先达到碳排放峰值。
清洁能源产业。积极推进太阳能利用,坚持集中式和分布式发展并举的原则,多途径拓展光伏装机应用场景,加快实施整县光伏开发建设项目,重点在党政机关、医院、大型商业综合体、学校、村委会等建筑安装光伏发电,鼓励新建公共建筑、大型建筑和工商业厂房采取BIPV建设方式,按照1兆瓦/万平方米的安装密度,力争到2025年全县计划占用已建成建筑物屋顶209.05万平方米,新增光伏发电装机容量21万千瓦,年发电量2.14亿千瓦时,每年可节约标准煤67834吨,减少二氧化碳约185145吨,进一步缓解区域限电情况,助力仙游打造“碳中和 碳达峰”示范县。有序发展新型储能,加快木兰抽水蓄能电站项目前期工作,实现“十四五”中期开工目标。结合木兰抽水蓄能电站项目建设,对接省水利水电设计院、国家电网和县有关部门开展全省电力大数据中心基地项目规划建设。科学开发生物质能,依据资源条件,因地制宜发展农林业剩余物和垃圾直(混)燃和气化发电、大型沼气发电等生物质发电项目。加快推进天然气利用,以西气东输仙游天然气综合利用项目建设为契机,加速清洁能源替代,积极谋划和布局建设下游产业项目。
新能源装备产业。结合整县光伏开发项目建设,强化与大型能源央企合作,积极引进逆变器等相关配件制造企业,构建“生产+应用”生态产业链。围绕打造集原材料生产、装备制造等一体化的生态圈目标,加快推动和拓(仙游)新材料产业园、新万鑫(福建)精密薄板、新能源汽车锂电池托盘、新能源装载车研发制造、紫京科技三元前驱体生产、国城三元正极材料生产、铁铬液流电池等项目落地投产,吸引优质新能源机械、新能源汽车制造企业落户仙游。积极培育氢能应用和装备制造新产业,加强氢燃料电池及关键零部件环节技术引进和生产制造。规划建设新能源动力和储能电池产业园。

新能源产业链
四、数字产业
贯彻落实国家、省、市关于“十四五”数字经济发展的战略部署,聚焦新型信息基础设施、数字产业化、产业数字化、公共服务数字化,坚持高起点规划、高水平建设、高标准管理,促进数字经济上新台阶,力争到2025年数字经济增加值占GDP比重超50%。
大力发展平台经济。聚焦本地特色产业,培育发展工艺美术平台、油品供应链平台等优势产业平台,促进平台创新产品、拓展业务、延伸链条,打通产业链上下游,提高供应链协同水平。做大做强电子商务平台,按照“一城一基地、一镇一特色”的思路,对接快手、抖音等直播电商平台,培育京东数字经济产业园、海峡艺雕城等一批特色突出、示范性强的“产业+直播”电商基地;积极发展跨境电商平台,着力培育一批跨境电商综合服务企业,创建中国(莆田)跨境电子商务综合试验区仙游园区。培育新业态新模式平台,培育医疗健康服务平台、网络货运平台、社区服务管理平台等,推动一批新业态平台的建设和提升。
加快发展电子信息产业。围绕5G、消费电子和工业电子产业,重点发展晶体管、电容器、电路板、射频器等电子元器件细分产业,招引扶持大型半导体加工型企业,形成集成电路制造产业链条。支持鼓励凯茂科技(福建)有限公司开展技术升级,建设智能终端电子产品盖板玻璃及车载中控玻璃精加工生产线,提升生产能力。加快推进瑞声数码蓝牙智能终端、罗普特智能产品孵化基地、信唐微电子GPU芯片、智胜半导体陶瓷材料产业园、福硅国际半导体生产、华思光电科技、禄驰高性能等离子喷涂等项目建设,加强在芯片代工制造、封装测试等环节产业配套,打造仙游县集成电路产业链。加快完善瑞峰片区的基础设施建设,整合利用电子信息标准化厂房和元生智汇厂房,按照“两体两中心”的要求,建成高标准的示范园区,招引电子信息行业领先企业落地。到2025年,在全县搭建两条具备竞争力的完整产业链,产业从业人员突破5000人,产值突破200亿元,使仙游成为福建省特色鲜明的电子信息制造基地。
加快推进产业数字化。深入实施“上云用数赋智”行动,大力推动5G、大数据、工业互联网等技术赋能制造业,鼓励工艺美术、鞋服、食品医药、新材料、机械装备等制造业通过数字化、智能化手段加快转型升级。加快商贸服务业数字化转型,鼓励批发零售、住宿餐饮、租赁、商务服务等传统业态积极开展线上线下、全渠道、定制化、精准化服务创新。推进智慧农业建设,加快国家级电子商务进农村综合示范县创建,大力发展“农产品+电商”直播模式,推进“互联网+”农产品出村进城工程建设,促进农产品产销衔接。发展高效特色的数字农业,创新“互联网+农业”新模式,推进现代农业物联网应用基地建设。
加快新型信息基础设施建设。推进5G网络+千兆宽带建设,加大5G基站选址、用电等支持力度,力争到2025年,实现城区5G网络全覆盖,乡镇、农村基本覆盖;推进“千兆光网”城市建设,加速千兆光网提速改造升级,提升全县网络服务能力。统筹布局物联感知体系,推动工业、农业、交通等重点行业感知设施建设。完善广播电视基础设施建设,加快构建含有线、无线与互联网的新型广播电视全媒体中心,完善市、县、乡镇(街道)、村(社区)四级广播联动服务体系。推进新型互联网(IPV6)部署,加快互联网由IPv4协议向IPv6协议的转换。加快建设智慧交通、智慧能源、“智慧木兰”等智能融合基础设施。
加快建设数字城市。整合数据存储基础设施、物联网设施、软硬件平台、地理时空数据等,建设智慧城市大脑底座,打造数字城市协同中心。推动县域政务数据融合汇聚,推进公共数据资源开发利用,开展数据资源汇聚融合,集成应用,打造县域社会治理“一张图”示范应用。提高“互联网+政务服务”效能,提升文教卫生等公共服务数字化水平。

数字经济产业链
五、节能环保产业
立足我县产业基础和区位优势,顺应绿色循环经济发展潮流,以推动经开区循环经济示范园区建设为重点,建立促进循环经济模式发展的政策配套制度,培育壮大华峰绿色纤维、海安橡胶、钰诚化学、日晶玻璃、益明纺织等一批绿色制造企业。加快实施赛隆年产80万吨绿色纤维项目工程,建设循环再生聚酯生产装置及利用循环再生产聚酯进行纺丝、加弹等生产差别化纤维,开发生产多孔异型性细旦、功能性、有色等差别化涤纶长丝和短丝,并配套建设辅助生产装置及公用工程生产装置。延伸系列产品开发,发展再生涤纶长丝、再生涤纶色丝、再生复合丝以及再生功能性等多个品种。加快推进海安橡胶OTR全钢子午线轮胎生产线、海安三期厂房扩建、海安高端装备产业园,日晶玻璃二号窑炉改造等项目,适时启动热电联厂项目,加快形成循环经济产业链条。推进“无废城市”建设,加快建设工业固废和建筑废物综合处置设施,推动锂电池拆解回收利用产业链强链延链,加快资源综合利用、循环利用、再生利用技术开发和示范推广。

六、文化创意产业
进一步发掘底蕴深厚的仙游文化资源,充分发挥现有原材料优势、产业链优势、工艺优势、人才优势、电商平台优势,顺应互联网信息技术变革和文化产业数字化转型的新趋势,嫁接高端文创资源,围绕市县“354”、“333”重点产业发展体系,坚持以高质量发展为主题主线,推进中国香博园、“艺术生活家”产业生态链平台、中国仙游红木共享交易中心、胜北红木原材料交易中心、竹香康旅文化产业园等重点项目建设,进一步优化产业结构,夯实产业根基,促进生产规范化、品质标准化、品牌价值化、产品层次化、销售多元化,推动产业跨界融合、全产业链发展,重点发展古典工艺家具产业,提升油画和工艺品两大优势行业,培育数字创意、商务会展、香文化等新兴产业,加快推动直播、个性化定制、家装一体化、体验式消费等多种新业态不断发展,全方位推进文化创意产业多元化高质量发展。

文化创意产业链
七、休闲旅游产业
充分发挥仙游优美山水、厚重文化、绿色生态等优势,围绕“把仙游打造成国际知名、国内著名的生态文化旅游休闲度假 胜地”工作目标,按照“以文塑旅、以旅彰文”的发展思路和“融合发展、全域发展、高质量发展”的发展导向,加快推进仙水溪文化旅游开发、仙游美食城、仙游大剧院等招商项目建设,不断推进文旅融合发展。突出“景区业态、内涵品质、综合功能、配套设施、管理服务”五大重点,着力构建“三仙圣境”发展格局。一是传承和发扬祈梦文化,推进九鲤湖新迎宾路、双九索道工程、智慧旅游系统、九鲤湖景区县内高速出口交通指引工程、东湖与西湖清淤工程、生态补水工程、拦河坝复建、创5A景区标识标牌改造提升、梦文化展示馆、迎宾路绿化提升工程、双九旅游公路扩宽改造及景区基础配套设施提升工程等项目,打造全国最具影响传统文化“仙境”;二是发展休闲水上旅游业态,仙水洋加快迎宾路、水上娱乐区、文化古村落、田园小火车、森林木屋、亲子乐园、婚纱摄影基地等项目,推进全国最具特色“仙水”体验基地建设;三是开发户外拓展运动项目,加快刺刀峡谷攀岩基地、景区玻璃栈桥、观光山体直梯、亲水步游道等建设,打造全国最具活力“仙山”户外攀岩基地。加快国家A级旅游景区品质提升,推进仙水洋、麦斜岩争创国家4A级景区。推进锚定“大九鲤湖”体系发展思路,对九鲤湖、九龙谷景区进行整体规划、整合开发,创建“大九鲤湖”国家5A级旅游景区。

八、健康产业
顺应人民群众生命健康服务需求日益增长,多样化、多层次服务更加凸显的新趋势,立足仙游产业基础和生态资源优势,以高水平建设仙游中医药康养产业园为重点,创建仙游全域健康产业发展新格局,实现医疗健康与健康文化、健康教育、健康旅游、养生养老、体育健身、医疗保健产品和医疗保健器械制造与交易、健康咨询管理、商务经济等协同发展。

健康产业链
第五章 推进社会绿色发展
按照生态文明建设的目标要求,加快完善再生资源回收利用网络体系,推进基础设施绿色化,推广绿色建筑,建设节约型政府,加强全社会生态文明宣传教育,培育绿色文化,逐步形成节约、绿色、低碳的生活方式,提升与绿色经济发展相适应的软实力。
第一节 建立资源回收利用体系
一、建立再生资源回收利用网络
将再生资源回收体系建设纳入国土空间、城市建设规划,建立集回收网(站)点、分拣中心、再生资源产业园(集散市场)三位一体的覆盖城乡的再生资源回收网络,加强废金属、废塑料、废玻璃、废纸、废弃电器电子产品等回收利用。加强工业固体废物综合利用基地建设,推广一批工业固废综合利用先进适用技术,构建回收、综合利用系统,加快形成覆盖分拣、拆解、加工、资源化利用和无害化处置等环节的完整产业链。继续推进危险废物综合收集贮存试点,完善废矿物油、废铅蓄电池等集中收集贮存设施,实现小微企业、非工业源危险废物收集转运全覆盖,鼓励资源化综合利用危险废物。
二、建立健全生活垃圾分类回收体系
统筹安排建设城乡生活垃圾无害化、减量化、资源化处置,实现城乡生活垃圾村收集、乡(镇)转运、县处置,逐步建立和完善生活垃圾污染环境防治的社会服务体系。建立生活垃圾强制分类管理机制,大力推进终端处理设施建设,建立完善分类投放、分类收集、分类运输、分类处置的生活垃圾处理系统,着力形成依法治理、政府推动、全民参与、城乡统筹、因地制宜的垃圾分类制度,努力提高生活垃圾减量化、资源化、无害化处理水平,不断改善全县人居环境。加强生活垃圾焚烧发电厂运营管理,进一步推进餐厨垃圾等处理设施的建设,实现生活垃圾的无害化处置。
第二节 推进基础设施绿色升级
一、强化生态环保基础设施建设
围绕生态文明建设目标,坚持问题导向,加快实施重点项目建设,补齐环保基础设施短板。
环境整治方面。加快推进仙游固废综合处理、城区环境卫生整治、城区生活垃圾分类等重点项目建设。
生态保护方面。重点推进生态公益林保护、造林绿化及森林经营项目、木兰溪源生态主题教育公园等项目建设。
流域生态环境整治方面。加快实施福建木兰溪流域生态修复和小城镇发展工程、木兰溪防洪工程仙游段、木兰溪景观工程仙游段、仙游县中小河流治理工程、仙游县木兰溪流域水资源综合管理工程、仙游木兰溪源省级自然保护区生态保护能力提升工程等项目建设。
饮用水源保护方面。重点抓好福建省莆田市金钟水库生态环境保护项目一期工程、仙游县城乡供水一体化项目建设。
污水处理方面。加快推进城区污水干管建设工程、仙游县污水处理工程PPP项目、乡镇污水处理厂(站)提标改造工程、农村污水设施建设工程等项目建设。
环境监管能力建设方面。加快推进智慧木兰溪管理项目、仙游环境监测站实验室应急能力提升、省控水质断面及14座小型水质自动监测建设及日常运行管理、水质全覆盖监测、城市空气质量监测站点运维等项目建设。
二、推进交通基础设施绿色发展
加快推进绿色交通发展,加强公共交通体系建设,推进构建 “车—油—路”一体的绿色交通体系,提升公共交通出行分担率。优化车船能源消费结构,加快车、船、机结构升级,大力淘汰老旧车辆、船舶和非道路移动机械,推广使用新能源汽车和非道路移动机械。推进纯电动化机动车应用,实施新能源汽车购车补贴政策。鼓励使用 LNG 或电动等清洁能源车船机械,持续推进新能源汽车相关公共设施建设。加快电动汽车充电设施项目建设,依托加油站、公交站场、停车场、居民小区等场所,统筹规划建设公共充电桩、充电站,构建车桩相随、智能高效的充电基础设施体系,“十四五”期间,中心城区预期新建城市公共充电站13座、各乡镇预期新建公共充电站12座、旅游区预期新建公共充电站9座、专用充电站3座,新增直流快充桩496台等,实现乡镇和主要景区全覆盖。建立电动车电池回收体系。全面实施国六排放标准,持续推进清洁柴油车(机)行动,加快淘汰国三及以下排放标准营运柴油货车。全面实施非道路移动柴油机械第四阶段排放标准。
第三节 推广绿色建筑
一、大力发展绿色建筑
出台绿色建筑发展条例,编制完善绿色建筑地方标准,提高建筑节能标准要求,新建建筑达到节能 65%的标准。综合运用价格、财税、金融等经济手段,发挥市场配置资源的决定性作用,营造有利于绿色建筑发展的市场环境,激发市场主体设计、建造、使用绿色建筑的内生动力。政府投资新建的机关、学校、医院、博物馆、科技馆、体育馆、保障性住房,以及开发区、车站、宾馆、饭店、商场、写字楼等大型公共建筑等强制执行绿色建筑标准。鼓励城镇按照绿色、生态、低碳理念进行规划设计,集中连片发展绿色建筑。引导商业房地产和工业厂房按绿色建筑标准建设,加强绿色农房建设指导。强化既有公共建筑节能改造,主要改造空调、热水、照明等用能系统和建筑外窗。开展绿色生态城区建设示范和超低能耗及近零能耗建筑建设试点,到 2025 年,城镇绿色建筑面积占新建建筑面积比重达到 60%,城镇新建建筑全面执行绿色建筑标准,星级绿色建筑占比达到30%以上,新建政府投资公益性公共建筑和大型公共建筑全部达到一星级以上。
二、积极发展绿色建材
推行绿色建造方式,倡导简约适度装修。发展绿色建材,加快推进纽优新型绿色建材项目建设,提高装配式建筑、装配式内装、全装修等绿色建材使用率,推广安全耐久、节能环保、施工便利的绿色建材,引导高性能混凝土、高强钢、低辐射镀膜玻璃、断桥隔热门窗的发展和应用。强制淘汰不符合节能环保要求、质量性能差的建筑材料。
三、推进建筑废物资源化利用
推进建筑废物资源化利用,推进建筑废物集中处理、分级利用,引进成分复杂垃圾资源化再生利用生产线,生产高性能再生混凝土、混凝土砌块等建材产品。因地制宜建设建筑废物资源化利用和处理基地。逐步把建筑垃圾资源化利用率纳入指标考核内容。
第四节 推行绿色生活方式
一、培育绿色生活理念
倡导简约适度、绿色低碳的生活方式,树立新的价值观、生活观和消费观。通过学校教育、媒体报道、制度引导、监督约束等各种方式,大力宣传节约光荣、浪费可耻的观念,引导全社会牢固树立绿色发展的强烈意识,大力强化公民环境意识,推动全社会形成绿色消费文化和生活方式。引导社会公众积极参与生活垃圾分类收集、节能低碳、资源回收利用、义务植树造林、环保志愿者行动等公益活动。探索推进碳普惠制,加大财政资金投入力度,引导社会资金积极参与,对居民节水、节电、低碳出行、资源节约等行为予以物质奖励。
二、引导绿色消费
推动个人和家庭践行绿色低碳生活理念,形成“资源有价,污染付费”的绿色消费预期,在全社会形成一种崇尚绿色消费的社会气氛。通过媒体网络、地方政府、企业、学校等平台积极宣传健康向上的消费文化。推动落实节能产品惠民工程,积极推广节能灯、节能家电等节能产品,鼓励市民购买能效标识产品、低碳认证产品、环境标识产品和无公害标志食品等。限制商品过度包装,倡导市民自觉抵制对环境造成破坏或大量浪费资源的商品。创建绿色商场、超市和批发(零售)市场,严格执行“限塑令”,限制不可降解塑料袋使用,鼓励自带购物袋和使用可降解塑料袋;提倡外出就餐适度点餐、餐后剩余打包。
三、倡导绿色出行
树立绿色出行理念,构建出行便捷、运营高效、城乡一体的立体公共交通系统,加强城区步行和自行车交通系统建设,推进不同公共交通体系之间以及城区公交系统与铁路、高速公路之间的无缝衔接。鼓励公交、环卫、出租、通勤、城市邮政快递作业、城市物流等领域新增和更新车辆采用新能源和清洁能源汽车。引导居民外出多乘公共交通,多骑自行车,少开私家车。倡导生态旅游,杜绝随意丢弃垃圾,自觉进行垃圾分类。实施建设仙游碳普惠,量化个人或家庭的绿色交通出行等低碳行为产生的减排量,建立绿色交通出行的碳积分、奖励金等“碳币”激励制度。
第五节 创新低碳服务管理
一、推进政府机关节能减排
政府机关要在节能、节水、节纸、节粮等方面率先垂范,建立人员定额消耗和考核管理制度。推进建筑及设备系统节能,加强用能设备运行管理。推广使用节水型器具。严格执行公务用车配备管理制度,淘汰高耗能、高污染的老旧汽车。完善工作接待制度,避免浪费。对高能耗的老旧电梯、空调系统、照明系统等进行节能改造。
二、加快推进电子政务服务
推动数字政府建设,创新电子政务运行管理机制,完善一体化公共服务体系。加快优化提升协同办公系统、掌上政务平台等系统,提升政务信息化水平。积极吸收新媒体技术,建立新媒体服务模式,加强政府与公众的联系,真正落实“互联网+政务服务”的模式,深化政务信息的公开程度, 鼓励机关事业单位建设绿色数据中心。推进绿色办公,开展办公耗材的回收利用,减少一次性办公耗材用量,推行无纸化办公、视频会议,精简会议、文件、简报等。
三、制定政府绿色采购制度
以绿色采购推动绿色消费,相关部门在政府采购过程中可不断根据各种调查反馈完善绿色采购制度,编制绿色政府采购的负面清单,探索构建绿色采购的绩效评价机制。设立跨部门协调的绿色采购工作机构,配备专职人员,从绿色产品认证、推广、采购执行、监督、绩效评价等方面,多维度开展实施绿色采购工作。严格落实节能节水产品优先采购和强制采购有关规定,提高政府采购再生产品和再制造产品的比重。公务车、城内公交、巡游出租车等公共服务领域以及城市环卫等社会运营领域,优先使用纯电动汽车。
第六节 培育绿色文化
一、开展生态文明宣传教育
充分利用世界环境日、世界地球日、世界卫生日等环境纪念日开展生态文明主题宣传教育活动,让民众了解、学习生态文化,增强生态文明意识。充分利用报刊、网络、电台、电视、手机、街头电子屏幕和社区布告栏等媒介,开展形式多样的常态化绿色经济宣传,普及绿色循环低碳发展的理念和知识,努力扩大宣传覆盖面,形成全方位、多层次、宽领域的宣传格局。加强领导干部生态文明教育,将生态文明建设作为各级党政领导干部培训的重要内容,加强领导干部生态文明意识,提高绿色低碳发展领导能力。把绿色低碳生活消费作为家庭思想道德教育、学生思想政治教育、职工继续教育和公务员培训的重要内容,纳入文明城市、文明村镇、文明单位、文明家庭、文明校园创建及有关教育示范基地建设要求。
二、打造绿色文化新体系
大力支持企业和人民群众以灵活多样的方式开展绿色文化创意活动。支持和鼓励在文学美术、影视、戏剧、绘画、仙游木雕、竹刻等艺术创作中融入生态文化因素,发挥文艺作品、地方志等在绿色文化中的传播作用。以“六馆”(档案馆、美术馆、科技馆、图书馆、文化馆、博物馆)为主要依托,常态化开展生态文明知识传播和普及工作。创建一批绿色机关、学校、社区、乡村,企业以及一批特色鲜明、设施完善、功能齐全、管理规范的绿色经济教育示范基地。
第六章 提升生态环境质量
坚持以习近平生态文明思想和治理木兰溪重要理念为指引,以木兰溪全流域综合治理为统揽,围绕水环境质量明显提升,空气环境质量保持优良,土壤环境质量保持稳定,主要污染物排放逐渐减少等目标,坚持精准治污、科学治污、依法治污,有效提升生态环境质量。
第一节 持续推进木兰溪全流域综合治理
一、打造“节水木兰”
坚持“以水定土、以水定城、以水定产、以水定人”的发展原则,强化水资源承载能力在区域发展、城镇化建设、产业布局等方面的刚性约束。实行用水总量控制、用水效率控制、入河排污控制、取用水许可控制的“四个严控”,实现取水、用水、耗水、排水全过程的节水管理。推进农业节水增效、工农业节水减排、城镇节水降损、主城区节水开源、节水标杆示范引领等五大节水工程,全面推进全流域全社会全环节的强化节水工作。加强再生水等非常规水多元、梯级和安全利用。持续推进县域节水型社会、节水型学校、节水型企业、节水型机关建设。
二、打造“安全木兰”
蓄排并举,建设现代可靠的防洪(潮)除涝减灾体系。加快实施木兰溪(仙游段)防洪工程提升项目,实现防洪全线达标,强化全市防洪调度,全面提升洪涝灾害防御能力和超标准洪水应对能力。坚持以防为主,开展堤防、水库、水闸、水电站等工程设施隐患排查和安全鉴定,常态化对病险工程进行除险加固,消除工程安全隐患。继续推进实施防洪治理工程和中小河流治理工程,加强重点涝区排涝能力建设,不断完善蓄排得当的排涝体系,强化河道治理工程建设。
三、打造“生态木兰”
坚持水陆统筹、分区施策、保护优先、系统治理,统筹山水林田湖海一体化保护和修复,加快构建良好的流域水生态保护和治理格局。继续开展木兰溪仙游段防洪及配套景观工程建设,规划实施仙榜段昆仑生态水系工程,以禀赋独特的河网水系和生态“绿心”为基底,通过“修基底、夯根基、强海绵、提动力”,增强综合施策合力,削减氨氮总磷污染负荷总量,建设人与自然和谐宜居的新典范。统筹利用好亚行开发银行1.9亿欧元贷款支持,加快实施仙游木兰溪流域生态综合治理提升项目,项目主要建设内容木兰溪流域水资源综合管理工程、木兰溪沿岸乡镇水环境综合提升工程、仙游固废综合处理项目、木兰溪流域林业生态修复与保护能力加强、木兰溪流域智慧水利系统、环卫信息平台建设和能力建设等子项目。加强木兰溪源省级自然保护区建设,推进流域森林生态修复提升,涵养水源,切实加强金钟、古洋、东溪、蒋隔水库等重点水源地和农村水源地保护,确保水质安全。实施水土保持生态清洁型小流域综合治理,优化木兰溪生态安全屏障体系,构建生态廊道和生物多样性保护网络,提升生态系统质量和稳定性。
四、打造“洁净木兰”
加快污水处理提质增效,夯实河网污控根基,巩固入河排污口整治成效,推行“污水零直排区”,利用向国开行和亚行贷款筹资契机,加快推进污水管网全覆盖、全收集、全处理。加快总投资12.58亿元的农村污水设施建设,新建污水管道长约1398.59公里(涉及75个村),其中主干管长约392公里、接户管长约1006.51公里,新建污水处理站24座。持续完善乡镇污水处理配套管网建设,有效保障乡镇污水收集的有效性、污水处理效果、出水效果,全面保障仙游县地表水体的水质。重点推进老城区污水管网建设工程、仙游县第二污水处理厂二期工程等项目建设,继续加大已建管网维护修缮力度,实现集镇区污水管网全覆盖,持续推进雨污分流改造。加快实施棚改工程,进一步拆除旧城片区间零星棚户区,实现城区集中连片发展,继续推进老旧小区改造,持续提升城区整体品质。加快城乡供水一体化项目建设,推进城乡供水一体化,实施农村饮水安全巩固提升工程,农村集中供水率提升到90%以上,保障村镇饮用水卫生合格率。总结推广榜头镇、盖尾镇“污水零直排区”试点建设经验,加强农村生活污水收集和处置,全面排查整治农村黑臭水体。加强近岸海域环境综合整治,强化入海排污口、入海河流、入海沟渠等综合治理和海飘垃圾治理。加大地下水保护力度,建立健全地下水防控体系。
五、打造“文化木兰”
保护木兰溪流域水文化物质遗产,弘扬木兰溪水文化精神遗产,并在工程项目中融入水文化,建设传承水文化精神的物质载体。启动木兰溪流域文物普查工作,切实加强历史文化遗存和古籍保护工作。系统梳理全流域各类水文化遗迹、水文化公园、水情教育基地等,扩充与提升各级文物保护单位,对已有的古陂、古堰闸、古河道等涉水文保单位进行系统保护。
六、打造“智慧木兰”
加快数字化建设,整合水工程安全监管、水资源调度、水质监测、河长制管理等平台,建设“智慧木兰溪”。实现水利行业管理、河湖长制工作与人工智能、大数据、互联网、物联网有机融合,构建流域数据大感知体系,搭建智慧流域云服务平台,完善提升创新协同的智能业务应用,开启“互联网+大数据”治水护水新模式,全面提升水利信息化和监管水平。
第二节 深化大气污染综合治理
一、强化 VOCs 治理
深入实施《莆田市臭氧污染防治工作方案》,根据仙游县产业结构特点,重点推进鞋业、化工、包装印刷、工业涂装等行业 VOCs 治理工程;鼓励重点行业企业开展生产工艺和设备水性化改造,加大水性涂料、粉末涂料等绿色、低挥发性涂料产品使用,加快涂料水性化进程,进行 VOCs 收集和净化处理。严格限制建设生产和使用高 VOCs 含量的溶剂涂料、油墨、胶黏剂等项目。推进建筑、汽修、家具和干洗行业环境综合整治和执法监管,禁止露天喷涂和露天干燥。加强涉 VOCs、“散乱污”企业清理,建立管理清单,健全长效机制,巩固清理整顿成果。
二、开展规范餐饮业油烟治理
根据《仙游县餐饮业污水整治工作实施方案》文件要求,各乡镇(街道)对辖区内的餐饮业继续开展第二次调查摸底,掌握翔实情况。城区餐饮服务经营场所应使用清洁能源,安装高效油烟净化设施,定期清洗,保证油烟净化装置正常有效运行,油烟排放达到规范要求;严禁无油烟净化设施露天烧烤。
三、持续削减颗粒物浓度
深化城市面源扬尘污染整治,强化道路扬尘污染控制,推行城市道路机械化清扫,采用雾炮车实施除尘作业,加大建筑工地扬尘污染控制,城市考评区内的所有在建工地全部配套“五小”工程。实施工业炉窑升级改造和深度治理,深化燃煤锅炉整治,积极推进“煤改气”、“煤改电”等重点工程,经济开发区实行热电联产、集中供热改造。加强 PM2.5与臭氧协同控制。
四、加强移动源污染防治
结合“电动福建”建设,大力推进新能源汽车推广和充电桩建设力度,扩大新能源汽车在公共服务领域应用规模。加强在用机动车监管,积极推进机动车排气遥感监测系统建设。加大柴油货车超标排放整治力度,强化工程施工机械等使用柴油的非道路移动机械监管。到2025年,柴油货车排放达标率明显提高,柴油和车用质量明显改善,柴油货车氮氧化物和颗粒物排放总量明显下降,全县机动车排放监管能力和水平大幅提升,绿色低碳、清洁高效 的交通运输体系初步形成。
五、建立区域环境联动机制
充分利用热点网格及云平台技术,加强大气污染源网格化管理,定期更新大气污染物源排放清单,进一步研究完善大气污染防治重点区域范围,建立健全空气质量联合监测、联合会商、联合执法等机制,实现精准排查、联防联控。力争规划期内,城市空气质量达标天气数比例98%以上主要污染物排放总量持续减少,环境空气质量综合排名保持全市领先。
第三节 深化土地污染综合治理
一、加强农用地土壤污染防治
实施农用地分类管理制度。突出保护优先,根据耕地、园地土壤环境质量类别划定结果,对耕地、园地土壤进行分类管理。根据土地利用变更和土壤环境质量变化情况,每 3 年对各类别耕地、园地面积及分布等信息进行更新。逐步开展林地等其他农用地土壤环境质量类别划定工作。对划定为优先保护类耕地纳入永久基本农田,实行严格保护,确保其面积不减少、土壤环境质量不下降。对优先保护类耕地和园地面积减少或土壤环境质量下降的乡镇,进行预警提醒并依法采取相应的限制性措施。
推进耕地和园地安全利用。根据国家有关受污染耕地安全利用技术指南,以及土壤污染状况和农产品超标情况,结合当地主要作物品种和种植习惯,制定实施受污染耕地(或园地)安全利用方案,建立防护隔离带、阻控污染源,采取施用改良剂、翻耕、种植绿肥等农艺调控以及替代种植等措施,降低农产品超标风险。依据土壤污染状况详查结果,制定实施重度污染耕地种植结构调整或退耕还林计划。探索实行耕地轮作休耕制度试点。
加强林地土壤环境管理。严格控制林地的农药使用量,禁止使用高毒、高残留农药,鼓励使用低毒低残留易降解的农药。推广生态控制、生物防治、物理防治等林业病虫害绿色防控措施。完善生物农药、引诱剂管理制度,加大使用推广力度。
强化农业面源污染治理。大力发展生态农业,加快推广种养结合、清洁生产、循环利用的生态种养模式;强化农业生产保护,继续实施化肥农药零增长减量化行动,化肥农药使用量再减少 3%以上;全面开展水产健康养殖示范创建活动,扶持发展工厂化、标准化农业;加快培育农业面源污染治理市场主体,探索农业废弃物资源化利用的有效治理模式。
二、强化建设用地土壤污染防治
开展土壤污染状况调查。继续对污染场地特别是城市工业遗留、遗弃污染场地土壤进行调查,建立污染场地土壤档案和信息管理系统。对重点监管企业及周边区域、工业园区等重点区域开展土壤跟踪监测,掌握土壤环境质量。
加强污染地块环境治理。结合土壤污染状况详查情况、重点监管企业周边土壤跟踪监测和建设用地土壤环境调查评估结果,逐步建立污染地块名录及其开发利用的负面清单,合理确定土地用途。暂不开发利用或现阶段不具备治理修复条件的污染地块,划定为管控区域,设立标识,发布公告,限制人员进入、禁止土壤扰动,并制定周边影响区域环境保护方案。开展县级土壤治理与修复项目治理方案编制。建立政府社会企业三方合作的土壤污染治理与修复市场机制。
严格建设用地准入管理。健全建设用地全生命周期联动监管制度,将建设用地土壤环境管理要求纳入空间规划和供地管理,严格落实准入管理要求。建立自然资源、生态环境等部门间的信息沟通机制,加强部门协作配合,实行联动监管,落实“多规合一”,实现建设用地“一张图”管理。
第四节 持续优化人居环境
一、加快建设森林城市
以改善城市生态环境、增加城市森林面积、提升城市森林质量、增加城市居民游憩空间为目标,持续开展“三个百千”绿化美化行动,打造国家级森林城市。加快木兰溪、客山、石鼓山、东渡山、大蜚山等森林公园建设,形成楼水相映、山水相映、林水相依的城市森林景观。到2025年,全县森林覆盖率达保持71.5%以上,城区树冠覆盖率达50%,城区主、次干道中,林荫道路里程比例达80%以上,建设完善农田林网,做好区域规划,持续优化人居环境,乡镇建成区绿化覆盖率达50%以上,村庄林木绿化率达30%以上。
二、加快建设海绵城市
坚持整体谋划、系统实施、因地制宜、实事求是的工作原则,综合采取“渗、滞、蓄、净、用、排”等措施,将海绵城市理念落实在规划、设计、建设、管理各个环节,进一步推动城市绿色发展,涵养城市水资源,修复城市水生态,增强城市防涝能力,促进人与自然和谐发展,推动城市高质量发展
三、加快建设“无废城市”
强化重金属行业的污染综合整治,建成工业固体废物综合处置设施,实现工业固体废物综合利用率不低于70%;加快生活垃圾分类治理,改善城乡人居环境,确保建成区生活垃圾分类处理系统全面建成,城镇生活垃圾无害化处理率达100%,农村生活垃圾无害化处理率不低于95%;强化涉疫医废、危废处置与监管,严格落实涉疫医废规范处置措施,推进医废处置设施和污染防治工程建设,确保危险废物安全处理率达100%。
四、提升农村人居环境
以建设美丽宜居乡村为导向,以农村垃圾、污水治理和村容村貌提升为主攻方向,实施农村“厕所革命”、农村垃圾治理行动、农村污水治理行动、农房整治行动、村容村貌提升行动等“一革命四行动”,着力补齐农村环境设施短板。持续完善美丽乡村规划,做好留白、留绿、留旧、留文、留魂文章,推进美丽乡村建设,打造宜居宜业美丽乡村。
五、加快治理噪音扰民
严格管控交通噪声,强化声环境功能区管理,继续实施道路降噪绿化带建设、噪声影响突出道路段(道路节点)隔声屏障建设等工程,完善噪声敏感建筑物集中区域的城市干道、城市快速路、高速公路等道路两边隔声屏障建设,进一步降低道路交通噪声污染影响。强化机动车噪声控制,严格实施机动车禁鸣、限速、限行等管制措施,严厉查处和纠正违章鸣号、违法改装发动机、深夜飙车等行为。开展夜间噪声专项整治。开展施工噪声污染整治专项行动,依法严格限定施工作业时间,严格限制在敏感区内夜间进行产生噪声污染的施工作业。
第七章 有序实施碳达峰碳中和
面向碳达峰目标、碳中和愿景,根据省、市的部署要求,统筹全方位推进高质量发展超越和实现碳达峰碳中和,科学制定碳达峰行动方案,明确碳达峰时间表、路线图、施工图,加快构建碳达峰、碳中和政策体系,稳步推进碳达峰行动。探索实施二氧化碳排放强度和总量双控,力争在全省碳达峰行动中走前列、做表率。2025 年完成省、市下达的单位 GDP 二氧化碳减排要求,推动在 2030 年之前全县实现二氧化碳排放提前达峰。
第一节 统筹推进碳达峰行动
一、制定实施碳达峰方案
县里成立由碳达峰碳中和工作领导小组,落实分工责任,建立“政府统一领导,部门分工负责,任务目标明确”的长效管理机制,统筹推进碳达峰碳中和工作。将碳达峰碳中和目标要求融入经济社会发展和生态文明建设规划,强化各级各类规划的衔接协调,确保主要目标、总体布局、发展方向、重大政策、重点工程等协调一致。制定实施做好碳达峰碳中和工作的实施意见,开展全县碳排放达峰路径研究,编制实施碳达峰实施方案,建立科学合理的评估机制和工作问责机制,定期跟进、评估、分析主要部门碳排放目标的完成情况和政策措施的落实情况。
二、稳步推进九大产业碳达峰行动
根据碳达峰实施方案,出台绿色经济、数字经济、文旅经济、鞋服纺织、电子信息和新功能材料、高端装备、工艺美术、食品和生命健康、现代服务业等九大产业行动计划。
加强工艺美术、鞋服纺织、食品等传统产业用能管理监督,实施节能、节水、节材、减污、降碳等系统性清洁生产改造,把清洁生产审核和评价认证结果作为政策制定和实施的重要依据。在厂区大力推进太阳能开发利用。加快培育绿色工厂,建设一批“超级能效”工厂,引领行业节能降碳。加快鞋服纺织行业采用智能化高效柔性制备技术,推动鞋服纺织品循环利用。
加强对电子信息、新功能材料、高端装备等战略性新兴产业产业链建设。开展专项节能监察,强化节能监督管理,重点推动高端装备行业工业窑炉、锅炉、压缩机、风机、泵等重点用能设备系统节能改造升级。以电子材料、元器件、典型电子整机产品为重点,大力推进单晶硅、电极箔、磁性材料、锂电材料、电子陶瓷等生产工艺改造,推进产业集聚发展和低碳发展。加强废旧资源循环利用,大力发展循环经济。
以商贸、交通物流、餐饮住宿、旅游等为重点,推进服务业节能减排。在大型商业区、火车站、汽车站、星级酒店等积极开发利用太阳能。实施政策激励,在全社会推广绿色低碳运输工具,加快淘汰不符合标准的车辆和船舶。加强节能管理,推进商场、车站、酒店、仓储等照明和制冷系统改造。推进“光盘”行动,强化厨余垃圾资源化回收利用。
三、深度调整产业结构
以数字化、智能化、绿色化、服务化、高端化为引领,推动工艺美术、鞋服纺织、食品医药等传统产业转型升级。以产业链建设为重点,强化招商引资,促进电子信息、高端装备、化工及新功能材料、新能源等战略性新兴产业上规模、增强竞争力。大力发展生态农业、现代林业、新能源、数字经济、节能环保、文化创意、休闲旅游、健康等绿色低碳产业,推动互联网、大数据、人工智能、第五代移动通信(5G)等新兴技术与绿色低碳产业深度融合。加大散乱污企业治理力度,全面排查在建、拟建高耗能高排放项目,坚决遏制高耗能、高排放、低水平项目盲目发展。
四、加快构建清洁低碳安全高效能源体系
强化能耗强度降低约束性指标管理,有效控制和减少二氧化碳排放,按照上级部署推动能耗双控向碳排放总量和强度双控转变,加快形成减污降碳的激励约束机制。把节能贯穿于经济社会发展全过程和各领域,持续深化工业、建筑、交通运输、公共机构等重点领域节能,提升数据中心、新型通信等信息化基础设施能效水平。依托仙港工业园瑞峰片区,规划建设占地2000亩的“绿色低碳新能源产业园”,重点发展半导体硅材料、锂电池等新材料项目。紧盯和拓、紫京科技、国城控股集团等3个互为产业链上下游的新能源材料项目,构建锂电池产业链。大力推进终端用能领域电能替代工程,严格合理控制化石能源消费。积极与厦门大学、福州大学等省内知名院校对接,探讨福硅国际半导体材料生产项目、氢能源电池等项目的发展路径。大力发展太阳能,积极发展新型储能,有序推进抽水蓄能电站建设,逐步构建以新能源为主体的新型电力系统,提高电网对高比例可再生能源的消纳和调控能力。
五、推进交通运输和城乡建设低碳化
加快发展绿色低碳客货运,积极发展绿色物流,持续降低运输能耗和二氧化碳排放强度。大力发展智能交通,深入实施新能源汽车替代、船舶电动改造等措施,有序推进充电桩、配套电网、加注(气)站、加氢站、换电站等基础设施建设。落实交通运输装备能效标识制度,加快淘汰高能耗高排放老旧车船。积极引导绿色低碳出行。将绿色低碳要求全面落实到城乡规划建设管理各环节,推动建立以绿色低碳为导向的城乡建设管理机制,加快推进绿色城镇、绿色园区、绿色社区、绿色农村建设。积极发展节能低碳建筑。加快优化建筑用能结构。
第二节
一、加强碳排放统计核算能力建设
加快培养碳排放统计核算人才,深化核算方法研究,建立统一规范的碳排放统计核算体系。支持行业、企业依据自身特点开展碳排放核算方法学研究,建立健全碳排放计量体系。推进碳排放实测技术发展,加快遥感测量、大数据、云计算等新兴技术在碳排放实测技术领域的应用,提高统计核算水平。
二、完善财税、金融等政策
加大财政对碳达峰碳中和重大行动、重大示范、重大工程的支持力度,支持绿色低碳产业发展、节能减碳和高效新能源项目实施、技术研发等。落实和完善节能节水、资源综合利用等税收优惠政策,更好发挥税收对市场主体绿色低碳发展的促进作用。完善绿色电价政策,健全居民阶梯电价制度和分时电价政策,探索建立分时电价动态调整机制。大力发展绿色贷款、绿色股权、绿色债券、绿色保险、绿色基金等金融工具,设立碳减排支持工具,引导金融机构为绿色低碳项目提供长期限、低成本资金。有序发展碳期货及其他衍生品等碳金融工具。鼓励社会资本以市场化方式设立绿色低碳产业投资基金。
三、积极推进市场化机制建设
积极参与国家、省、市碳排放权交易市场和用能权交易市场建设,加强市场机制间的衔接与协调,将碳排放权、用能权交易纳入公共资源交易平台。推动数字化管理平台建设,加强对全县碳排放数据管理。探索推进储能电站等参与电力市场交易,推行市场化节能机制。抓紧建设林业碳汇平台,完善林业碳汇交易机制。探索建立碳汇补偿机制和碳普惠、产品“碳标签”认证等制度。积极推行合同能源管理,推广节能咨询、诊断、设计、融资、改造、托管等“一站式”综合服务模式。
四、加大绿色科技创新支持力度
强化企业创新主体地位,支持企业承担国家、省、市绿色低碳重大科技项目,开展科技攻关,鼓励设施、数据等资源开放共享,加快创新成果转化。加快推进科技协同创新,支持我县绿色低碳龙头企业参与组建国家级和省级行业绿色低碳技术创新联盟,持续推进绿色低碳关键核心技术协同攻关。完善绿色低碳技术和产品检测、评估、认证体系。加强绿色低碳技术和产品知识产权保护。加强人才队伍建设,依托国内著名高校和科研机构,抓紧引进和培养一批绿色低碳发展的专业人才,有效发挥科技支撑和智力支撑作用。
第三节 持续提升碳汇能力
一、巩固提升林业生态碳汇
开展森林碳汇重点生态工程建设,增加森林面积和蓄积量。强化森林资源培育和保护,山上抓质量提升与森林生态系统保护与修复,山下抓绿化美化。以创建国家森林城市为目标,以增绿增质增效为重点,在确保迹地及时更新的基础上,持续深入推进“三个百千”绿化美化行动。持续开展全民义务植树活动,建设森林城市,加快乡村绿化美化,推广林木良种,加大林分结构调整,退化林分修复,中幼林抚育和封山育林力度,重点加快以马尾松为重点的松林改造提升,强化战略性森林资源培育,提高森林质量。
二、稳步提升农业生态和海洋生态碳汇
开展农业农村减排固碳行动,大力发展绿色低碳循环农业,推进农光互补、光伏+设施农业等低碳农业模式。推广应用增汇型农业技术,推广二氧化碳气肥等技术。实现耕地数量、质量、生态“三位一体”保护与提升行动,不断提升农业生态碳汇。加大海洋生态保护和修复力度,促进海洋生态系统固碳增汇。
第八章 深化生态文明体制机制改革
深入贯彻落实习近平生态文明思想和治理木兰溪重要理念,围绕生态文明建设规划目标要求,加快体制机制创新,按照源头预防、过程控制、损害赔偿、责任追究的思路,构建产权清晰、多元参与、激励约束并重、系统完整的生态文明制度体系。
第一节 加快构建现代环境治理体系
一、完善流域综合治理机制
深化“河湖长制”,完善河湖管护标准体系和监督考核机制。巩固按流域设置环境监管和行政执法机构试点成果。持续推进木兰溪(仙游段)等重点流域生态环境综合治理。加强跨区域跨部门水质信息沟通,构建流域上下游水量水质综合监管系统、水环境综合预警系统,建立上下游联合交叉执法和突发性污染事故的水量水质综合调度机制。
二、完善海洋综合治理机制
健全陆海统筹海洋生态保护机制,加强海域生态环境监管。探索推行湾(滩)长制管理体系,加强近岸海域环境综合整治,强化入海排污口监管、海漂垃圾整治。严格落实国家围填海管控要求,除国家重大项目外,全面禁止围填海。全面加强海岸线保护力度,严守海洋生态保护红线。按照“保护优先、节约利用、科学整治、绿色共享”原则,严格实施海岸线分类管控要求,坚守自然岸线保有率目标,重点加强环湾岸线整治提升。推动近岸海域湿地保护与修复,重点加强受损滨海湿地生态恢复修复和综合治理。
三、建立农村环境治理体系
构建党委领导、政府主导、企业主体、社会组织和公众共同参与的农村环境治理体系。建立以绿色生态为导向的农业补贴制度,加快推进化肥、农药、农膜减量化以及畜禽养殖废弃物资源化和无害化,鼓励生产使用可降解农膜。鼓励市场化、专业化建设和运行管护,构建村庄人居环境管护长效机制。
四、完善环境监测监管体系
建设陆海统筹、天地一体、上下协同、信息共享的生态环境监测网络,健全生态环境监测和评价制度。统筹推进“数字生态”建设,提升生态云智能化水平。健全生态云数据汇聚共享机制,构建环境信息“一张图”、监测监控“一张网”。推动构建预警及时、响应迅速、溯源精准、研判科学的区域环境风险预警和响应体系。深化生态环境保护综合行政执法改革,加强人才队伍建设,建立统一规范的生态环境综合执法体系。强化现场监督执法能力,探索建立跨行政区域环境治理跟踪机制、协商机制和仲裁机制,全力推行区域交叉环境执法。
五、建立健全公众参与机制
逐步完善环境保护公众参与新机制,形成以公民监督举报制度、信访制度、听证制度、环境影响评价公众参与制度、新闻舆论监督制度、公益诉讼制度等为主要内容的公众参与制度。加强舆论监督,鼓励新闻媒体对各类破坏生态环境问题、突发环境事件、环境违法行为进行曝光。引导具备资格的环保组织依法开展生态环境公益诉讼等活动。支持鼓励各类社会团体参与生态环境治理。鼓励民间环保组织发展,充分发挥环保志愿者作用。
六、推行环境信息公开制度
深入推进环保政务公开,对重大环保政策、环境质量数据、污染排放数据、环境处罚信息等进行全面公开,加强重特大突发环境事件信息公开。完善环境信息公开考核评议、环境信息举报调查、环境信息监督检查、环境信息公开责任追究等制度。严格执行重污染行业企业环境信息强制公开制度,全面推行大气水、土壤环境质量、排污单位和环境执法等环境信息公开。在广播电视台、政府门户网站、微信、微博、公众号等平台开辟生态文明专栏,及时发布环境质量信息,普及生态文明知识,树立生态文明先进典型,曝光环境违法行为。完善突发环境污染事件和群体性事件应急响应机制。建立环境数据分级分类开放共享制度。
第二节 建立生态环境源头管控机制
一、完善国土空间开发保护制度
统筹推进县国土空间总体规划编制,加快推进一批乡镇和村庄规划编制,建立完善国土空间规划编制审批体系、实施监督体系、法规政策体系和技术标准体系。建设统一的国土空间基础信息平台,整合各类空间关联数据,形成覆盖全省、动态更新的国土空间“一张图”。落实生态保护红线、环境质量底线、资源利用上线、生态环境准入清单(“三线一单”),建立动态更新和调整机制。完善自然保护地规划管理,构建以自然保护区为基础、各类自然公园为补充的自然保护地体系,全面加强生物多样性保护,巩固提升生态安全屏障建设。将生态功能保护和恢复任务落实到具体区域和具体地块,防止不合理开发建设活动对生态红线的破坏,确保生态功能不降低、面积不减少、性质不改变,形成与主体功能定位相适应的科学合理的生态安全格局。注重防灾和减灾能力体系建设,有效预防和降低灾害风险,提高国土安全性和城市韧性。
二、健全国土空间用途管控制度
强化国土空间规划对土地利用的整体管控作用,统筹耕地、林地、草地、湿地、海洋、矿产、水资源等各类要素布局,实行全域全要素规划管理,以资源环境承载能力和国土空间开发适宜性评价为基础,因地制宜对国土空间实施分区分类用途管制。强化生态保护红线、永久基本农田、城镇开发边界等空间管控边界以及各类海域保护线等底线约束。各乡镇、各部门、各行业编制的城乡建设、区域发展、产业布局、基础设施建设、生态环境建设等相关规划,不得以任何名义改变国土空间规划确定的用地规模、结构和布局安排,确保各类规划在土地利用上与国土空间规划相衔接。不断加强城镇功能布局管控,城镇开发边界内实行“详细规划+规划许可”管制。加强用地战略留白,做好规划预控。优化海洋开发利用空间。
三、严格决策环境影响评价制度
把环境功能区划、总量控制、环境容量、环境风险评估作为仙游县区域和产业发展的决策依据,合理调控发展规模,优化产业结构和布局,明确开发和建设的环境准入条件和环境保护要求,并且作为有关建设项目行政审批的前置条件。细化和确定需要进行环评的规划具体目录,近期补充和完善工业园区规划环评和旅游区域规划环评,远期大力推进土地利用有关规划和区域建设、开发利用规划,以及工业、农业、畜牧业、林业、能源、水利、交通、城市建设、自然资源开发的有关专项规划环评。建立规划环评和项目环评联动机制,严格执行建设项目环境影响评价制度和环保“三同时”制度,提高环保准入门槛。对不符合产业政策、不符合有关规划、不符合重要生态功能区要求、不符合清洁生产要求、不具备环保处理条件或达不到排放标准和总量控制指标的项目,坚决不予审批,确保污染不欠新账。对“二高二低”产品(高新技术、高附加值、低消耗、低污染产品)的环保审批实行“绿色通道”。
第三节 完善生态产品价值实现机制
一、健全生态产品产权制度
推广武夷山、厦门生态系统价值(GEP)核算经验,建立健全适用全县生态产品价值核算体系,制定全县生态产品价值评价体系和核算规范,推进生态产品价值核算结果应用。深入开展自然资源资产产权制度改革,加快推进自然资源统一确权登记,建立自然资源资产调查、评价和核算制度,编制县级自然资源资产平衡表,完善县级自然资源资产平衡表制度。开展全民所有自然资源资产所有权委托代理机制试点,建立统一行使、分级代理、权责对等、全民共享的所有权委托代理机制。
二、完善多元化生态补偿制度
健全政府主导与市场运作相结合的生态保护补偿机制,建立生态环境保护者受益、使用者付费、破坏者赔偿的利益导向机制。以推进莆田市木兰溪流域生态补偿常态化、长效化为重点,继续完善综合性生态保护补偿机制,加大对重点生态功能区、生态保护红线区域等生态功能重要地区的转移支付力度。在《仙游县流域及饮用水源保护区生态补偿办法》的基础上,适时研究出台《仙游县生态环境补偿办法》,明确仙游县生态补偿的原则、补偿主体、补偿措施及标准等重要内容。优先推进自然保护区原住民迁出安置生态补偿及畜禽养殖禁养区内关闭、搬迁畜禽养殖场生态补偿工作,加大生态脆弱和生态保护重点区域的生态补偿力度,集中用于生态建设。重点支持自然保护区公益林保护、采矿区植被恢复、生活污水处理、地质灾害工程治理和生态移民等项目建设。建立健全分类补偿与分档补助相结合的森林生态效益补偿机制,逐步提高生态公益林补偿标准。加大对生态保护地区的扶持力度,重大生态环保基础设施争取实行省、市、县联合共建。
三、拓展生态产品价值实现模式
在依托生态优势大力发展绿色产业的同时,持续深化生态产品市场化改革,探索政府主导、企业和社会各方参与、市场化运作、可持续的生态产品实现路径,拓展生态产品价值实现模式。健全生态产品经营开发机制,推动生态产品供需对接平台建设,根据不同资源禀赋培育发展“水生态银行”“森林生态银行”等生态资源运营管理平台,构建特色化发展模式和收益分配机制。加快资源环境权益交易市场建设,健全碳排放权交易机制;探索林业碳汇和海洋碳汇交易试点;健全排污权有偿使用制度,拓展排污权的污染物交易种类;探索用能权交易机制,扩大交易试点行业;探索在木兰溪流域完善水权交易机制。
四、探索多元化资源环境价格机制
支持培育各类环保社会组织,推进环境污染第三方治理。健全充分反映资源稀缺程度、体现环境损害成本的用水、用电、用气价格和污水、垃圾处理收费机制。加快完善自然资源价格形成机制,探索建立土地、矿产资源等全民所有自然资源资产有偿使用制度。
第四节 健全生态文明建设责任机制
一、完善领导干部考核机制
根据不同主体功能区的特点和要求,建立党政领导政绩差异化考核评价体系。完善考核机制,突出将绿色发展和生态文明作为党政领导干部政绩考核的重要内容,增加资源消耗、环境损害、生态效益等指标在经济社会发展综合评价体系中的权重,把生态文明建设考核结果作为干部任免奖惩的重要依据。
二、落实生态文明建设责任
严格执行党政领导干部生态环境损害责任追究实施细则(试行)等制度,深化落实生态环境保护督察制度。落实“党政同责、一岗双责”制度和生态环境损害责任终身追究制度,完善党政领导生态环境保护目标责任书考核制度,强化各级领导干部牢固树立绿色发展理念,履行好生态保护职责。探索建立基于自然资源资产平衡表的领导干部自然资源资产离任(任中)审计制度,全面、客观评价领导干部履行自然资源资产管理和生态环境保护责任情况。
三、践行生态文明社会责任
强化生态环境保护、自然资源管控、节能减排等约束性指标管理,严格落实企业主体责任和政府监管责任。引导企业主动适应绿色低碳发展要求,加强能源资源节约,推进节能降碳,自觉履行生态环保社会责任。健全企业环境信用体系,依法依规建立排污企业黑名单制度,将环境严重违法企业违法信息记入信用记录,通过“信用中国(福建)”等网站或媒体依法向社会公布。
第五节 健全生态环境司法保护机制
一、健全完善生态司法机制
创新审判机制,实行涉生态刑事、民事、行政案件和非诉行政案件“三加一”审判模式,推进环境资源专门化审判,大力推进繁简分流、简案快审、繁案精审,落实简案集中审理、当庭宣判,同时,通过依法判处实刑、慎用缓刑、强化罚金刑等手段,严厉打击破坏生态环境的刑事犯罪。强化部门联动,创新和完善“多层修复、立体保护”的生态司法修复模式,持续推动生态环境修复机制与认罪认罚从宽制度深度融合,提高司法公信力和亲和力。深化生态环境损害赔偿制度改革,加强案例线索筛查、重大案件追踪办理和修复效果评估。完善环境资源多元化纠纷解决机制。总结推广共建共治的“生态司法+”工作机制。
二、健全完善生态环境公益诉讼制度
依托生态环境巡回检察室,完善“专业化法律监督+恢复性司法实践+社会化综合治理”“三位一体”生态检察模式。推行“河长(湖长、林长)+检察长”工作机制。探索建立生态环境损害赔偿制度与环境公益诉讼有效衔接机制。鼓励和支持符合条件的有关社会组织和法律中介组织积极参与环境公益诉讼。探索实行符合生态环境公益诉讼特点的办案程序和规则。
第九章 保障措施
创新完善规划实施机制,加强组织领导,强化项目带动,完善投入机制,严格监督考核,发挥示范引领,确保规划顺利实施。
第一节 加强组织领导
成立由县委、县政府主要领导挂帅的仙游县生态文明建设工作领导小组,下设办公室,具体负责规划的组织实施,统筹协调各级各部门推进生态文明建设,研究解决生态文明建设的重点和难点问题。分解落实生态文明建设的目标任务,明确各县直部门、各乡镇(街道)的工作责任和任务。各级各部门要各司其职,通力协作。县直有关部门和有关乡镇(街道)要组织编制规划实施方案和行动,将规划目标、主要任务、重点工程及项目、体制机制创新及政策等落到实处,针对规划实施中出现的新情况新问题,适时提出解决办法;对经实践检验比较成熟的做法和经验,及时总结、规范并加以推广。
第二节 强化项目带动
强化项目实施的带动作用,以规划带动项目建设,以项目促进规划落实,进一步集聚要素资源,确保生态文明建设落到实处。围绕生态文明建设目标任务,有针对性地安排实施一批重点工程。加强项目策划,完善项目储备库管理制度,增强项目发展的协调性、可持续性。大力实施开放招商,利用本地企业家丰富人脉资源优势,广泛开展招商引资活动,引进一批引领性的绿色低碳发展项目;立足现有绿色产业基础,支持本地重点骨干企业,积极引进上下游产品关联企业,有针对性地开展靶向招商,进一步延伸产业链条,形成产业集群,增强产业整体竞争力。健全重点项目协调机制,强化重点项目土地、资金和人才等要素保障,确保项目顺利实施,着力提高项目建设质量和效益。
第三节 完善投入机制
加强生态文明建设资金投入保障,建立财政资金投入长效机制,将每年生态文明建设资金需求列入年度县财政预算,有效发挥财政资金撬动作用。完善生态补偿机制,加大对限制开发区域、禁止开发区域等生态功能重要地区的生态保护财力转移支付。充分利用国家绿色金融政策,拓宽绿色金融产品创新,鼓励社会资金投向生态文明建设重点领域。鼓励金融机构加大绿色信贷投放力度,扩大绿色信贷规模和占比。综合运用土地、规划、金融、价格、财税多种政策,通过PPP、第三方治理等模式,支持引导各类投资基金、社会资本参与生态保护和环境治理。鼓励政策性银行、开发性金融机构、商业银行加大对生态文明建设项目信贷投放力度。支持收益较好、能够市场化运作的环保基础设施项目开展股权、债权、股债结合融资。
第四节 严格监督考核
完善规划实施考核评价机制,由县生态文明建设工作领导小组牵头负责,将生态文明建设目标任务列入党政领导生态环境保护目标责任书考核内容。领导小组办公室要加强规划实施的监测评估,强化日常工作的统筹指导、跟踪督促,并会同县政府督查室、县效能办等部门建立督办联动机制,建立挂牌督办清单,将生态文明建设规划任务落实到年度重点工作中,制定具体实施计划,狠抓落实。各有关部门要针对各自工作任务,层层分解抓落实,确保规划目标和任务顺利完成。
第五节
深入推动生态文明建设示范创建,实施木兰溪流域系统治理样板示范工程、生态林建设及水土保持示范工程、清洁能源及可再生能源示范工程及资源循环利用示范工程等四大重点生态文明示范工程,培育一批践行习近平生态文明思想的实践样本,提供形式多样、鲜活生动的做法和经验,发挥示范工程良好的引领作用,提升全县生态文明建设水平。支持和鼓励各级各部门充分发挥首创精神,创新思路,主动作为,及时归纳总结工作中的做法、措施、成效、经验和不足,积极探索生态文明建设和碳达峰碳中和工作新路径新模式新机制。加强先进经验做法和试点示范宣传推广,对行之有效的重大改革举措和成功经验做法,及时进行制度凝练,推动形成常态化、稳定的长效制度。
仙游县“十四五”生态文明建设规划重点项目表
|
序号 |
项目性质 |
项目名称 |
建设内容及规模 |
总投资 (万元) |
项目属地或 负责单位 |
|
1 |
生态农林 |
钟山欧中花卉产业园项目 |
本项目总规划占地面积2254.8亩。在仙游县(度尾镇、钟山镇)建设标准化设施蔬菜和特色花卉种植生产基地,并建成集科普宣传、科学研究、物种繁育、生态旅游等功能于一体的球根花卉种质资源基地。 (1)仙游县度尾镇花卉生产基地:建设设施农业用地1375亩、建设用地10亩; (2)仙游县钟山镇花卉生产基地:建设设施农业用地502.8亩、建设用地60亩; |
38500 |
钟山镇 度尾镇 |
|
2 |
生态农林 |
度尾花卉创意农业园 |
建设千亩花卉创意基地和市级花卉展销中心,包含500亩洋坂百合扩繁区、400亩圣山微盆景种植区等,同时配套景观亭、观光木栈道、休闲步游道等,串点成线,打造特色观光线路,同时完善各个基础设施,打造高标准花卉观光旅游基地 |
10000 |
度尾镇 |
|
3 |
生态农林 |
度尾文旦柚智慧产业园 |
建设文旦柚展销基地、科普基地、种植基地、文旦柚物联网中心、十里蜜柚走廊,配套采后商品化处理、加工和物流系统、果园排灌系统,完善产业链下游,建设完善果园道路、停车场、瞭望亭、公厕等基础设施,打造5G+智慧文旦柚种植项目,通过5G+大数据分析为种植提供科学决策,推动文旦柚产业数字化转型,推进数字乡村振兴建设,实现文旦柚产业化、专业化、标准化、绿色发展 |
10000 |
度尾镇 |
|
4 |
生态农林 |
蛋鸡养殖项目 |
项目分三期进行,第一期用地约40亩,投资4000万元,工期约1年,完成基础配套建设及初始生产线,第二期投资3000万元,建设二阶段生产线;第三期使用投资3000万元完成全部建设。项目建成后,可存栏蛋鸡75万羽(含雏鸡15万羽、蛋鸡60万羽),可年向社会提供鸡蛋10000吨、肉鸡459吨、有机肥6900吨。 |
10000 |
县农业农村局 大济镇 |
|
5 |
生态农林 |
金沙薏米深加工项目 |
引入“恒体(厦门)生物技术有限公司”共同合作扩大生产规模,建设薏米深加工及粮油和农副产品厂房、食品检测中心、储藏仓库保鲜库等,添置金沙薏米及粮油和农副产品深加工生产线12条 |
13000 |
龙华镇 |
|
6 |
绿色工业 |
华峰绿色纤维产业园 |
分两期实施,其中首期占地面积903.6亩,新建厂房及配套设施31栋,总建筑面积约51.16万平方米 |
2290000 |
经济开发区 管委会 |
|
7 |
绿色工业 |
新万鑫(福建)精密薄板项目 |
选址在仙港工业园,用地391亩,拟新建生产线,规划年产18万吨高端硅钢。项目分二期投资建设,一期拟投资5.83亿元,建设厂房12万㎡,年产12万吨(其中HiB 钢6万吨和硅钢极薄带6万吨)。二期拟投资4.50亿元,年产6万吨高端硅钢 |
103300 |
县工信局 盖尾镇 |
|
8 |
绿色工业 |
瑞博新能源材料生产项目 |
拟租赁郊尾循环经济产业园钢构厂房2栋4070.3平方米,引入新能源材料加工利用生产镍、钴、锂等生产线2条,进行新能源材料加工、利用生产 |
20000 |
县工信局 郊尾镇 |
|
9 |
绿色工业 |
和拓(仙游)新材料产业园 |
用地面积500亩,分两期实施。其中一期用地248亩,主要进行再生资源回收、再生铝锭、新能源汽车拆解等,拟引入废旧不锈钢回收基地、再生铝锭及产业链项目、新能源汽车拆解及锂电池的梯次利用项目、有色金属精密铸造项目等4个再生循环类子项目 |
500000 |
经济开发区 管委会 |
|
10 |
绿色工业 |
紫京新能源科技三元前驱体项目 |
占地面积400亩,分两期建设:其中,一期投资30亿元,规划建设年产3万吨三元前驱体和1万吨正极材料生产线,达产后产值可达85亿元,税收约2.3亿元;二期投资80亿元,规划建设3万吨废旧锂电池梯次利用、4万吨正极材料、5万吨三元前驱体生产项目,达产后产值可达255亿元,税收约6.7亿元 |
1100000 |
县工信局 |
|
11 |
绿色工业 |
海安集团高端装备产业园项目 |
选址枫亭工业区北片区H5地块及周边,占地约400亩,建设年产1000万平方米输送带、年产30万套全钢大型工程子午线轮胎生产线、年产15000条全钢巨型工程子午线轮胎生产线及矿山机械设备等 |
700000 |
经济开发区 管委会 |
|
12 |
绿色工业 |
意达高辣辣工业项目 |
拟选址在赖店镇罗峰村洋面,占地200亩,分两期建设,第一期用地100亩,建设厂房、仓储、研发、办公、宿舍等建筑工程8万㎡。项目预期年加工干辣椒2万吨,生产辣椒精、辣椒油等辣椒食品添加剂和辣椒碱等军工医疗产品原材料,达产后年产值达到15亿元。 |
30000 |
赖店镇 |
|
13 |
绿色工业 |
瑞声数码蓝牙智能终端全产业链项目 |
分两期建设,其中一期主要建设TWS蓝牙耳机、智能手环手表、数码智能AI音箱等智能穿戴终端成品生产线,SMT贴片、高精度注塑、聚合物电池、喇叭等数码蓝牙智能终端产业链项目及配套芯片应用技术二次开发中心和科研楼、办公楼、人才公寓等;二期投资扩建数码蓝牙智能终端产业链配套项目 |
400000 |
仙港工业园 管委会 |
|
14 |
绿色工业 |
三福工艺园 |
占地面积145.36亩,总建筑面积12.3万平方米,其中新建厂房19幢、总建筑面积约9万平方米,商住楼4幢、总建筑面积约3.3万平方米 |
50000 |
仙港工业园 管委会 |
|
15 |
绿色工业 |
鑫瑞科技新型功能材料产业链项目 |
占地面积91亩,新建厂房5幢、宿舍楼1幢、研发综合中心1幢,总建筑面积约7.2万平方米 |
70000 |
经济开发区 管委会 |
|
16 |
绿色工业 |
南仹生物中药饮片项目 |
用地面积86亩,其中一期投资2.2亿元,新建标准中药饮片GMP车间2个、中药提取生产车间2个、医药原料合成车间1个,总建筑面积27750平方米,建设“胆红素-猪去氧胆酸-鹅去氧胆酸”、“牛羊胆酸”、“水牛角浓缩粉”、“猪胆粉”、“水牛角粉”7条生产线 |
22000 |
经济开发区 管委会 |
|
17 |
绿色工业 |
旺威材料科技产业园 |
占地290亩,总建筑面积5万平方米,分两期实施,其中一期计划投资额20亿元,一期计划用地170亩,目前已取得工业用地40亩,主要进行耐折涤纶单丝、可降解弹性纤维、PA56等鞋用纤维新材料以及高弹蓄热调温材料等产品的研发设计和生产销售。二期计划投资额30亿元,占地120亩,主要进行各类鞋用纤维新材料、鞋用功能新材料、新型鞋面装备与工艺新技术应用、智能鞋材等产品的研发设计和生产销售 |
500000 |
郊尾镇 |
|
18 |
绿色工业 |
巨石新能源汽车锂电池托盘项目 |
拟租赁元生智汇3号厂房,计划总投资1.5亿元,一期项目计划投资1亿元,其中购置生产线2条;二期项目根据市场情况调整 |
15000 |
县工信局 |
|
19 |
绿色工业 |
信唐微电子GPU芯片项目 |
依托大唐5G东南总部基地项目优势,充分发挥产业基地在上下游产业链条带动作用,信唐微电子GPU芯片项目作为大唐5G项目的延续项目,将整合国内外GPU芯片核心研发人才和产业资源,打造真正自主可控的高端国产GPU芯片。项目分三期建设,其中一期GPU芯片研发阶段,二期封装封测生产基地建设阶段,三期晶圆制造基地建设阶段 |
40000 |
县工信局 |
|
20 |
绿色工业 |
瑞峰工业园电子信息招商项目 |
利用元生智汇、标准化厂房进行系列招商 |
80000 |
县工信局 |
|
21 |
绿色工业 |
凯茂智能终端电子产品盖板玻璃及车载中控玻璃精加工项目 |
租用元生智汇厂房3栋,建筑面积约35827.68平方米,购置CNC精雕机、切割机、平磨机、扫光机、热弯成型机、AG设备、镀膜机、AF喷涂机、超声波清洗机、8色喷墨打印机、镭射雕刻机、丝印机等加工设备以及二次元影像仪、玻璃外观尺寸检测仪器、显微透过率测量仪、激光干涉仪、表面应力仪等检测设备,进行精密结构件生产 |
100000 |
仙港工业园 管委会 |
|
22 |
绿色工业 |
福硅国际半导体生产项目 |
选址仙港工业园瑞峰片区,计划总投资60亿元。其中,一期拟投资11亿元,占地约100亩,建设48台长晶炉生产线,进行半导体9N-11N单晶硅拉棒生产制造,年产8/12英寸半导体单晶硅圆棒约864吨,经过洗、切、抛等工艺,成为抛光衬底片,用于晶圆片制造。 |
600000 |
仙港工业园 管委会 |
|
23 |
绿色工业 |
国城三元正极材料生产项目 |
计划总投资100亿元,分两期投资建设年产10万吨三元正极材料生产线项目,投产后预计产值350亿、税收5亿。其中一期建设5万吨三元正极材料生产线,二期建设5万吨三元正极生产线 |
1000000 |
仙港工业园 管委会 |
|
24 |
绿色工业 |
数字城市协同中心 |
建设集数据汇聚共享、统一指挥调度、可视化运营展示、辅助决策于一体、高度智能化的数字城市协同中心: 1、数字城市基础平台:一个城市数字底座(云计算中心、指挥调度中心)、一个城市数字中台(感知中台、数据中台、智能中台、应用中台)、一个城市数字大脑(仙游一张图、信息资源整合、数字小脑); 2、打造四大应用场景:社会治理“一网统管”,建设包括城市管理领域和社会治理领域的社会治理统一平台;政务服务“一网通办”,建设“智能导办”,完善“就近办”设施,提升政务服务能力,建设导引服务和自助服务设施,提升服务大厅智慧化水平;数字政府“一网协同”,推进政府协同办公和无纸化会议普遍应用,建设政府辅助决策系统;公共服务“一码通享”,建设“一码通城”服务平台,将涉及各领域的二维码聚合成一个公民码,提供健康管理、办事审批、公共出行、参观旅游、支付购物等便捷服务; 3、建设若干专项应用,建设智慧应急、智慧党建、智慧治理、智慧社区、智慧物业系统,提升智慧教育、智慧医疗水平。 |
10000 |
县发改局 鲤城街道 |
|
25 |
生态环保 |
城乡供水一体化项目 |
计划实施项目17个,涉及18个乡镇326个村,受益群众达115万人,主要包括新建水厂4个、改扩建水厂2个;实施供水管网建设总长度1100公里以及一户一表改造30万户;整合全县民营和乡镇供水企业;建立供水信息化中心,实现城乡供水同质、同价、同服务 |
160000 |
县水利局 跨乡镇 |
|
26 |
生态环保 |
老城区污水管网建设工程 |
建设城区污水管网,包括龙仙路(大坪口圆圈-南门圆圈)道路改造工程、龙泉街排水管网改造、木兰社区、玉井社区接户管项目 |
31600 |
县住建局 鲤城街道 |
|
27 |
生态环保 |
仙游木兰溪流域生态综合治理提升项目 |
包括木兰溪流域内污水治理工程、木兰溪源头保护工程、木兰溪源观光大道、木兰溪流域内桉树改造工程、木兰溪流域水土流失治理工程、智慧木兰溪项目、木兰溪景观提升工程 |
560000 |
县水利局 |
|
28 |
生态环保 |
仙游县木兰溪流域水资源综合管理工程 |
本工程建设内容包括从双溪口水库引水的输水系统和鲤北片区的补水管道。输水系统的输水流量为3.07m3/s,线路总长8.11km。包括3段输水隧洞,共7.01km;3段输水管道,共1.10km。补水管道总长6.31km,其中3段主管5.72km,10段支管共1.63km。 |
20859.49 |
县水利局 |
|
29 |
生态环保 |
仙游县第二污水处理厂二期工程 |
仙游县第二污水处理厂二期工程建设规模为2.0万m3/d,采用A2O生化处理池为主的二级强化生物处理+深度处理,出水水质执行《城镇污水处理厂污染物排放标准》(GB18918-2002)中的一级A标准,污泥处理采用“重力浓缩+带式压滤脱水”工艺方案 |
5776.22 |
县水利局 |
|
30 |
生态环保 |
仙游固废综合处理项目 |
位于仙游县鲤南镇瑞园村大铺底,占地面积100亩,计划总投资2.4亿元,计划建设建筑和大件垃圾资源化处理场1座,分成二期建设(一期规模为日处理建筑垃圾200吨、大件垃圾30吨,二期的建筑垃圾日处理规模扩建至400吨、大件垃圾不变)及配套等设施 |
24000 |
县城管局 |
|
31 |
生态环保 |
木兰溪源省级自然保护区能力提升项目 |
保护区监测系统工程(智慧林业)预算661.17万元,实施年限:2022-2024年;科教与信息管理中心工程,预算1712万元,实施年限:2022-2024年;生态调研评估项目,预算605.3万元,实施年限:2022-2024年;防护系统工程,预算73.17万元,实施年限:2022-2023年;林业生态保护与培育项目,预算2987.22万元,实施年限:2022-2027年。总投资6038.86万。 |
6038 |
县林业局 |
|
32 |
生态环保 |
木兰溪防洪工程仙游段 |
仙榜段建设防洪堤总长28.65公里,其中新建堤防17.68公里,加高加固堤防10.97公里;盖尾段建设防洪堤两段总长14.71公里;仙度段新建防洪堤总长28.67公里,其中新建土堤长8.98公里、加高加固堤防长16.96公里 |
122448 |
县水利局 |
|
33 |
生态环保 |
木兰溪景观工程仙游段 |
全长25公里,主要包括防洪、清淤、截污、两侧园林景观、节点主题公园建设 |
89629 |
县水利局 |
|
34 |
生态环保 |
仙游县畜禽粪污资源化利用粪污集中处理中心(有机肥厂)项目 |
建设仓库和运营中心480平方米、生产车间4000平方米、地面硬化2500平方米、储液池30平方米5座、围栏600平方米、辅料破碎系统1套、混料系统1套、膜发酵系统6套、菌种发酵1套、有机肥生产线1套、除臭设备1台、可移动输送带5条、检测设备1套、地磅1套、大屏1块、系统介绍牌2块、智慧管理中心软件1套、菌种生产1套、吸污车3辆、铲车1辆、叉车1辆、参观通道和办公家具等 |
2200 |
县农业农村局 |
|
35 |
生态环保 |
福建木兰溪流域生态修复和小城镇发展项目 |
主要包括木兰溪流域(仙游段)水生态保护与修复项目、木兰溪流域城区生活垃圾分类设施提升项目、木兰溪流域面源污染整治项目、木兰溪流域水文化、古民居修复项目等项目 |
200956 |
县水利局 |
|
36 |
生态环保 |
中小河流治理工程 |
治理中岳溪、大济溪、龙华溪、延寿溪、粗溪等共计河长约67公里 |
40000 |
县水利局 跨乡镇 |
|
37 |
生态环保 |
金钟水库生态环境保护项目一期工程 |
后溪流域生态修复与治理工程,河道生态化改造3180m,生态坝改造5座,缓冲带5555㎡。金钟水库库滨缓冲带植被修复7710㎡;码头生态修复3350㎡。配套布设解层式太阳能曝气机10台,一级保护区内新增隔离围栏12.1km,设置21个宣传牌、15个交通警示牌、4个水质预警预报站,各乡镇和上游太平亭、元淀溪、大坪、石峰等水库共设置视频监控10个。 |
4351.26 |
县金钟水利枢纽运行维护中心 |
|
38 |
生态环保 |
农村污水设施建设 |
新建污水管道长约1398.59公里,其中主干管长约392公里、接户管长约1006.51公里,新建污水处理站24座 |
216597 |
仙游生态环境局 县水利局 县住建局 跨乡镇 |
|
39 |
生态环保 |
木兰溪流域环卫设施完善提升 |
(1)计划采购智能分类箱、240L垃圾分类收集桶、农村干湿分类桶、垃圾分类屋(亭)、垃圾袋、垃圾分类智慧平台,采购垃圾分类车辆,开展垃圾分类宣传并进行常态化垃圾分类;(2)计划建设日处理100吨的厨余垃圾处理厂;(3)计划建设建筑垃圾资源化处理场,建设建筑垃圾和大件垃圾综合利用厂房、设备、堆放场及配套设施。 |
21000 |
县城管局 跨乡镇 |
|
40 |
清洁能源 |
电动出行汽车充电设施项目 |
到2030年,新增扩建公共充电站109座,中心城区预期新建城市公共充电站40座、各乡镇预期新建公共充电站69座、新增直流快充桩1600台等,新建换电站3座。 |
26000 |
县工信局 跨乡镇 |
|
41 |
清洁能源 |
整县光伏开发建设项目 |
按照1兆瓦/万平方米的安装密度,全县计划占用已建成建筑物屋顶209.05万平方米,安装20.905万千瓦光伏发电设备,年发电量2.14亿千瓦时,每年可节约标准煤67834吨,减少二氧化碳约185145吨,进一步缓解区域限电情况,助力仙游打造“碳中和 碳达峰”示范县。 |
500000 |
跨乡镇 |
|
42 |
清洁能源 |
天然气综合利用项目 |
本工程起自国家管网西三线东段仙游分输站,然后敷设管线至新建的仙游综合分输站、枫亭末站以及福建赛隆科技有限公司围墙内清管设施,线路之间设置2座分输监控阀室。本工程线路全长约47.95km,仙游分输站至仙游综合分输站的线路长度约0.35km,采用D273.1×8mm L360M无缝钢管,设计压力为4.0MPa。仙游综合分输站至枫亭末站的线路长度约36km,采用D323.9×8(10.0)mm L360M直缝高频电阻焊钢管,设计压力为4.0MPa。枫亭末站至福建赛隆科技有限公司的线路长度约11.6km,采用D323.9×8(10.0)mm L360M直缝高频电阻焊钢管,设计压力为1.6MPa。本工程设计输量为2×108Nm3/a。二期项目,拟建设仙游县全域天然气管道。 |
50000 |
龙华镇 鲤南镇 赖店镇 郊尾镇 枫亭镇 |
|
43 |
清洁能源 |
木兰抽水蓄能电站项目 |
选用4台单机350MW的单级混流可逆式水泵水轮发电电动机组,总装机1400MW,设计年发电量20.1亿千瓦时。 |
940000 |
县发改局 社硎乡 |
|
44 |
清洁能源 |
全省电力大数据中心 |
结合木兰抽水蓄能电站项目建设,对接省水利水电设计院、国家电网和县有关部门开展全省电力大数据中心基地项目规划。 |
100000 |
社硎乡 |
|
45 |
商贸文旅 康养 |
九鲤湖景区开发建设项目 |
以创建国家5A级旅游景区为载体,推进建设九鲤湖新迎宾路工程项目、双九索道工程项目、智慧旅游系统项目、九鲤湖景区高速出口交通指引工程项目、九鲤湖东湖与西湖清淤工程项目、拦河坝复建项目、创5A景区标识标牌改造提升项目、九鲤湖生态补水工程项目、景区垃圾及污水收集处理工程项目、梦文化展示馆工程项目、迎宾路绿化提升工程项目、双九旅游公路扩宽改造项目及景区基础配套设施提升项目。 |
10000 |
九鲤湖管委会 钟山镇 |
|
46 |
仙水洋省级森林康养基地 |
总建筑面积1万平方米,以仙水洋景区为中心,建设特色主题名宿群、游客服务中心、游乐基础设施、生态停车场、观光绿道、户外拓展基地等,配备夜景灯光、栈道等基础设施。 |
12000 |
菜溪岩管委会 西苑乡 |
|
|
47 |
商贸文旅 康养 |
仙游县刺刀峡谷仙山旅游开发项目 |
刺刀峡谷攀岩基地、刺刀峡谷入口综合服务区、景区玻璃栈桥、景区观光山体直梯、刺刀峡谷探险及攀岩基地、悬崖音乐玻璃栈道、亲水步游道、游船码头和游客转运站、森林观光走廊、菜溪岩景区入口文化广场、菜溪岩郑侨状元文化园 |
48000 |
菜溪乡 |
|
48 |
仙水洋仙水体验基地旅游开发项目 |
仙水洋迎宾路、仙水洋水上娱乐区、仙水洋文化古村落、仙水洋田园小火车、仙水洋森林木屋、仙水洋森林氧吧、亲子乐园、仙水洋垂钓园、仙水洋露营基地、赤利溪引水工程、仙水洋婚纱摄影基地等 |
46000 |
西苑乡 |
|
|
49 |
仙游美食城招商项目 |
依托仙游美食城古建筑风格特点,结合仙游美食文化,融入“仙作”古典工艺元素,充分挖掘仙游文化底蕴,以“文化+美食”为创意,打造仙游美食文化地标性园区 |
20000 |
县文旅局 |
|
|
50 |
中国香博园 |
福建省香魁投资有限公司计划投资2亿元在鲤城街道坝垄社区文化活动中心建设集“检测、体验、培训、研学、香疗”于一体的综合性线上线下的香文化展示交易中心,面积1.2万平方米,将建成全国最大的天然香制品交易集散中心、全国最专业的天然香产业示范园 |
20000 |
县工艺美术中心 |
|
|
51 |
跨境电商产业园 |
跨境电商产业园拟选址位于鲤南金凤片区,东至纵三线,西至规划用地,南至规划东渡路,北至仙港大道,规划用地300亩,建设:①跨境电商产业园:集通关一体化平台、企业孵化培训、海外仓、供应链金融、进出口商务代理、电子商务和商品分销等功能于一体。②智能仓储物流中心:应用云计算、大数据、物联网等技术建设数字化、智能化的一体化仓储、国际物流中心。③智慧管理中心:建设智慧办公服务中心、人员培训中心、运输调配中心等功能区域。 |
300000 |
县商务局 |
|
|
52 |
金溪茶文化产业园 |
以金溪茶叶厂为核心,引入茶叶种养、成品茶深加工、茶类食品添加剂(茶沫、抹茶粉等)、饮茶文化为一体的种养产销一体化产业园 |
10000 |
龙华镇 |
|
|
53 |
艺雕智慧产业园二期 |
占地80亩,建设16幢观光式旅游标准化厂房 |
40000 |
度尾镇 |
|
|
54 |
木兰溪源生态主题教育公园 |
总体布局为“一轴两带多节点”,建设有游客服务中心、餐饮中心、公厕等功能性建筑,设置有清源轩和长廊,定位为集休闲、旅游、文化、生态观光为一体的生态湿地公园,将物种及其栖息地保护和生态旅游、生态环境、教育功能有机结合起来,以原有的自然形态和景观要素作为湿地的特色景观进行规划设计,进一步打造融保护、科普、休闲等功能于一体的生态园 |
5000 |
西苑乡 |
|
|
55 |
商贸文旅 康养 |
麦斜岩创国家4A级景区提升工程 |
按照国家4A级景区标准,推进建设麦斜岩核心景区路网工程项目、游客服务中心建设工程项目、麦斜岩云居湖景观改造提升工程项目及景区基础配套设施提升工程项目。 |
5000 |
九鲤湖管委会 钟山镇 |
|
56 |
菜溪岩研学度假旅游区项目 |
复建“浔阳书堂”,开辟科举文化博物馆、建设郑侨状元读书处、建设菜溪研学度假村、建设菜溪岩景区入口形象工程和南塘、顶南湖水体景观工程及休闲设施、建设联二线至源山寺的旅游公路 |
100000 |
菜溪岩管委会 菜溪乡 |
|
|
57 |
“云上水乡”仙水洋度假区项目 |
与中旅集团合作,引入十五至三十家国内顶级名宿品牌,同时进行赤利溪引水工程、仙水洋高山水上运动公园项目、仙水洋花海及漂流项目、凤山旅游区游客集散中心和旅游车队、十八股头、石人头、仙人谷景点开发、乌柄、官田避暑度假区开发、仙水洋酒店等 |
100000 |
菜溪岩管委会 西苑乡 |
扫一扫在手机上查看当前页面



闽公网安备 35032202000077

